| № | Наименование | Примечание | Кол-во |
|---|---|---|---|
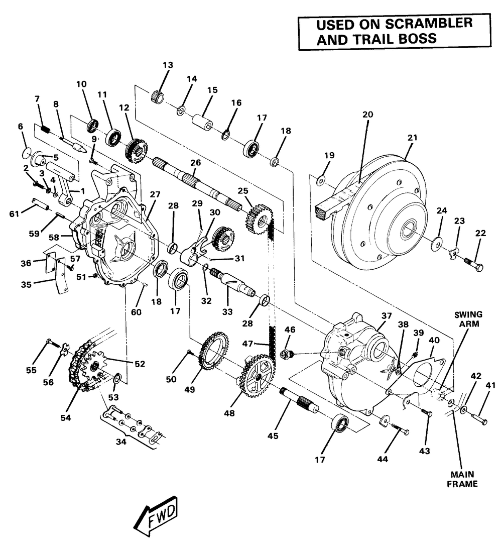
| 2 | BOLT | 1 | |
| 3 | WASHER(10) (10 per pack) | 1 | |
| 4 | WASHER(10) (10 per pack) | 1 | |
| 7 | SPRINGSHIFT LEVER | 1 | |
| 9 | SCREW(10) (10 per pack) | 4 | |
| 11 | BEARING BALL | 1 | |
| 15 | SPACER INPUT SHAFT | 1 | |
| 17 | BEARING205W/O SEAL tahos_6205 | 3 | |
| 18 | SEAL OIL | 2 | |
| 20 | BELTDRIVE (5) (5 per pack) | 1 | |
| 21 | ASM.CLUTCHDRIVENHVY RET | 1 | |
| 22 | BOLT | 1 | |
| 24 | WASHER DOMED | 1 | |
| 25 | GEARFORWARDSMALL | 1 | |
| 32 | O RING | 1 | |
| 33 | SHAFT SHIFT | 1 | |
| 34 | CONNECTOR LINK | 1 | |
| 38 | BUSHINGSWING ARM MT. | 2 | |
| 42 | WASHER(10) (10 per pack) | 1 | |
| 43 | SCREW(10) (10 per pack) | 1 | |
| 44 | BOLT | 1 | |
| 46 | SWREV./NEUT.INDIC. | 1 | |
| 50 | BOLT(10) * (10 per pack) | 4 | |
| 51 | NUT LOCK(10) (10 per pack) | 2 | |
| 52 | SPKT13TSPLINED * | 1 | |
| 52 | SPKT 11T * | 0 | |
| 52 | SPKT 12T * | 0 | |
| 57 | SCREW | 6 | |
| 61 | SUBSTITUTED BY 9990000 | 0 |
