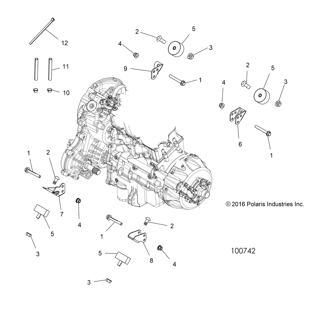
| № | Наименование | Примечание | Кол-во |
|---|---|---|---|
| 1 | SCREW(10) (10 per pack) | 8 | |
| 2 | SCR-M10X1.5X14TRX/TRPATCH | 4 | |
| 3 | NUT-M10X1.5HXFLG NYLON INS | 4 | |
| 4 | NUT-M8X1.25HXFLGNYLON INS | 8 | |
| 5 | ISOLATOR-M10X1.5M/F65 DURO | 4 | |
| 6 | BRKT-TRANS MNTISOLATEDLH | 1 | |
| 7 | BRKT-TRANSRH | 1 | |
| 8 | BRKT-ENG MNTISOLATEDRH | 1 | |
| 9 | BRKT-TRANSLH | 1 | |
| 10 | CLAMP-HOSE 17/32 GREEN | 2 | |
| 11 | LINE FUEL1/4 ID(600 CM.) | 0 | |
| 12 | CABLE TIE14" | 3 |
