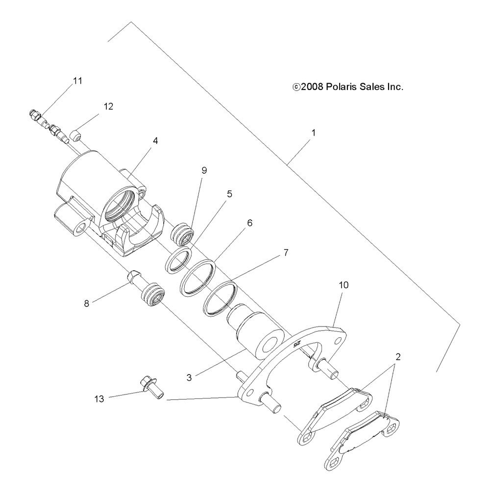
BRAKES REAR CALIPER - A18SYS95CU / EU (49ATVBRAKERR09SPXP850I)

Корзина пуста