| № | Наименование | Примечание | Кол-во |
|---|---|---|---|
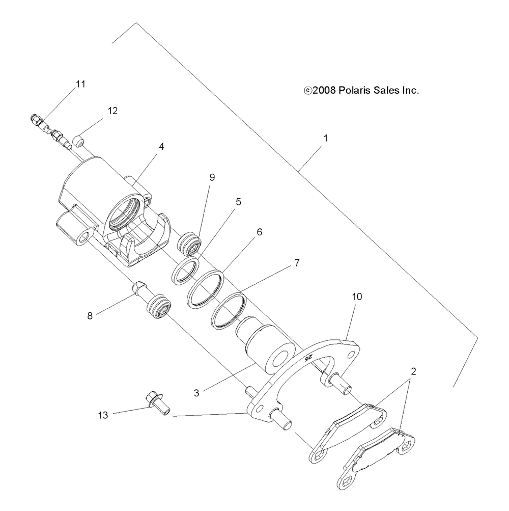
| 1 | CALIPER-DUAL INPUTLH [INCL. ALL LESS 13] | 1 | |
| 1 | CALIPER-DUAL INPUTRH [INCL. ALL LESS 13] | 1 | |
| 2 | KIT-BRAKE PADSREARDUAL INPUT [INCL. 2 PADS] | 1 | |
| 3 | PISTON-BRAKESTEP | 1 | |
| 5 | RINGMOLDED(.134) | 1 | |
| 6 | SEAL-CALIPER INNER1.50" | 1 | |
| 7 | SEAL-CALIPEROUTER1.50" | 1 | |
| 8 | BOOT-PIN BUSHING | 1 | |
| 9 | BOOT-PIN SEAL | 1 | |
| 10 | ASM-CALIPER MOUNT | 1 | |
| 11 | SCR-M7X1.0BLEEDEROLIVE D | 2 | |
| 12 | SCR-M10X1.0X8SOC SET-OD | 1 | |
| 13 | BOLT-M10X1.25X25HXFLGW/PATCH | 4 |
