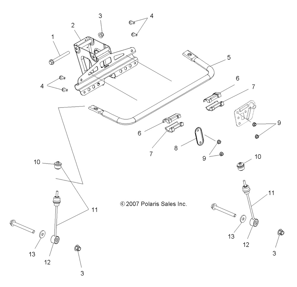
| № | Наименование | Примечание | Кол-во |
|---|---|---|---|
| 1 | BOLT-M10X1.5X115HX HD FLG | 2 | |
| 2 | WELD-MOUNT STABILIZER BLK | 1 | |
| 3 | NUT-M10X1.5HXFLG NYLON INS | 4 | |
| 4 | BOLT-M8X1.25X20HXHDFLG | 4 | |
| 5 | BAR-STABLZR3/4"ODFLATENDBLK | 1 | |
| 6 | BUSHING-STABILIZER | 2 | |
| 7 | BUSHING-TORSION BAR | 2 | |
| 8 | PLATE-RETAINER | 1 | |
| 9 | NUT-M8X1.25HXFLGNYLON INS | 4 | |
| 10 | BUSHING-LNKG TORBARDURO80ITW | 2 | |
| 11 | LINKAGE-BARTORSION210MMITW [Incl. 12] | 2 | |
| 13 | WASHER FLAT | 2 |
