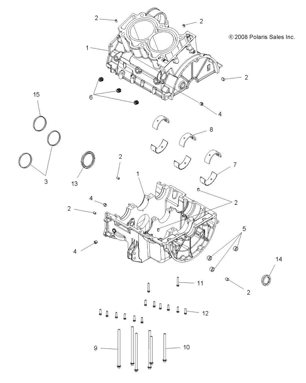
| № | Наименование | Примечание | Кол-во |
|---|---|---|---|
| 1 | KIT-CRANKCASE 1204585 [Incl. 24-6 9-12 Cases][Built 3/21/13 and Before] [ALSO ORDER 5257984 PLATE WINDAGE PTO QTY. 1] | 1 | |
| 2 | PIN-DOWELM6X10 | 8 | |
| 3 | SEAL-BALANCESHAFT W/FLNG55MM | 2 | |
| 4 | PLUG-1/8 NPTHX/SOC W/SEALANT | 3 | |
| 5 | PLUG-3/8 NPTHX/SOC W/SEALANT | 3 | |
| 6 | PLUG-HEX SOCKET1/4X18SEALANT | 3 | |
| 7 | BEARING-MAIN REAR\FRONT 55MM | 4 | |
| 8 | BEARING-MAIN CENTER 55MM | 2 | |
| 9 | BOLT-M9X1.25X160HXFLG | 4 | |
| 10 | BOLT-M9X1.25X115HXFLG | 2 | |
| 11 | SCR-M6X35HXFLG0600214 | 2 | |
| 12 | SCR-M6X20HXFLG0600214 | 12 | |
| 13 | SEAL-CRANKSHAFT55.7MM | 1 | |
| 14 | SEAL-CRANKSHAFT32MM | 1 | |
| 15 | SEAL-BALANCESHAFT W/FLNG55MM | 1 |
