Оригинальные каталоги
Масла и жидкости
Масла моторные
Масла трансмиссионные
Жидкости гидравлические
Жидкости охлаждающие
Жидкости тормозные
Масла гидравлические
Масла для вилок и амортизаторов
Масла компрессорные
Жидкости для стекол
Масла для цепей бензопил
Масла индустриальные
Масла промывочные
Раствор мочевины AdBlue
Автоэлектроника
Видеорегистраторы
Пылесосы автомобильные
FM трансмиттеры
Зарядные устройства
Разветвители, удлинители прикуривателя
Кабели
Вентиляторы автомобильные
Штекер прикуривателя
Датчик парктроника
Камеры заднего вида
Мониторы парковочные
Парктроники
Термометры
Накидки на сиденье с подогревом
Автохолодильники
Антирадары
Диагностический сканер
Аксессуары
Набор автомобилиста
Ароматизаторы
Тросы буксировочные
Канистры
Ремни крепления груза
Стяжки-резинки крепления
Сетки для крепления груза
Скотч
Влажные салфетки
Держатели телефонов, планшетов
Карты памяти
Наушники
Аккумулятор холода
Термосумки и контейнеры
Фонарики
Батарейки
Оплетки на руль
Огнетушители
Салфетки, полотенца, варежки
Инструмент
Домкраты
Компрессоры
Манометры
Насосы
Светильники переносные
Шарнирно-губцевый инструмент
Ударный инструмент
Метчики. Плашки
Заклёпочники
Заклёпки
Измерительный инструмент
Свёрла
Отвёртки
Изолента
Надфили. Напильники
Ножи, ножовки
Щётки
Абразивная бумага
Специнструмент
Ключи
Хомуты
Дрель-шуруповерт
Автохимия
Присадки
Промывки
Очистители
Смазки спрей
Смазки пластичные
Герметики
Средство для рук
Клей
Лакокрасочные материалы
Автошампуни
Полироли
Антифриз для тормозной системы
Масло для пропитки фильтров
Антикоррозионные составы
Прочее
Электрооборудование
Зарядные устройства
Инверторы
Конвертеры
Звуковые сигналы
Провода прикуривания
Предохранители
Противотуманные фары
Дневные ходовые огни
Электрика фаркопа
Шины и диски
Автошины
Грузовые шины
Мотошины
Камеры
Мотокамеры
Лента обода шины
Колпаки
Диски
Одежда и экипировка
Жилеты
Запчасти
Аккумуляторы
Лампы
Щетки стеклоочистителя
Гофры глушителя
Велотовары
Велосипеды
Самокаты
Велокамеры
Искать по VIN или номеру детали
Поиск по штрих-коду
Искать по VIN-номеру
Войти
Авторизация
Логин
Пароль
Напомнить пароль
Запомнить
Войти
Зарегистрироваться
Авторизоваться другим способом
Востановить пароль
Введите ваш email:
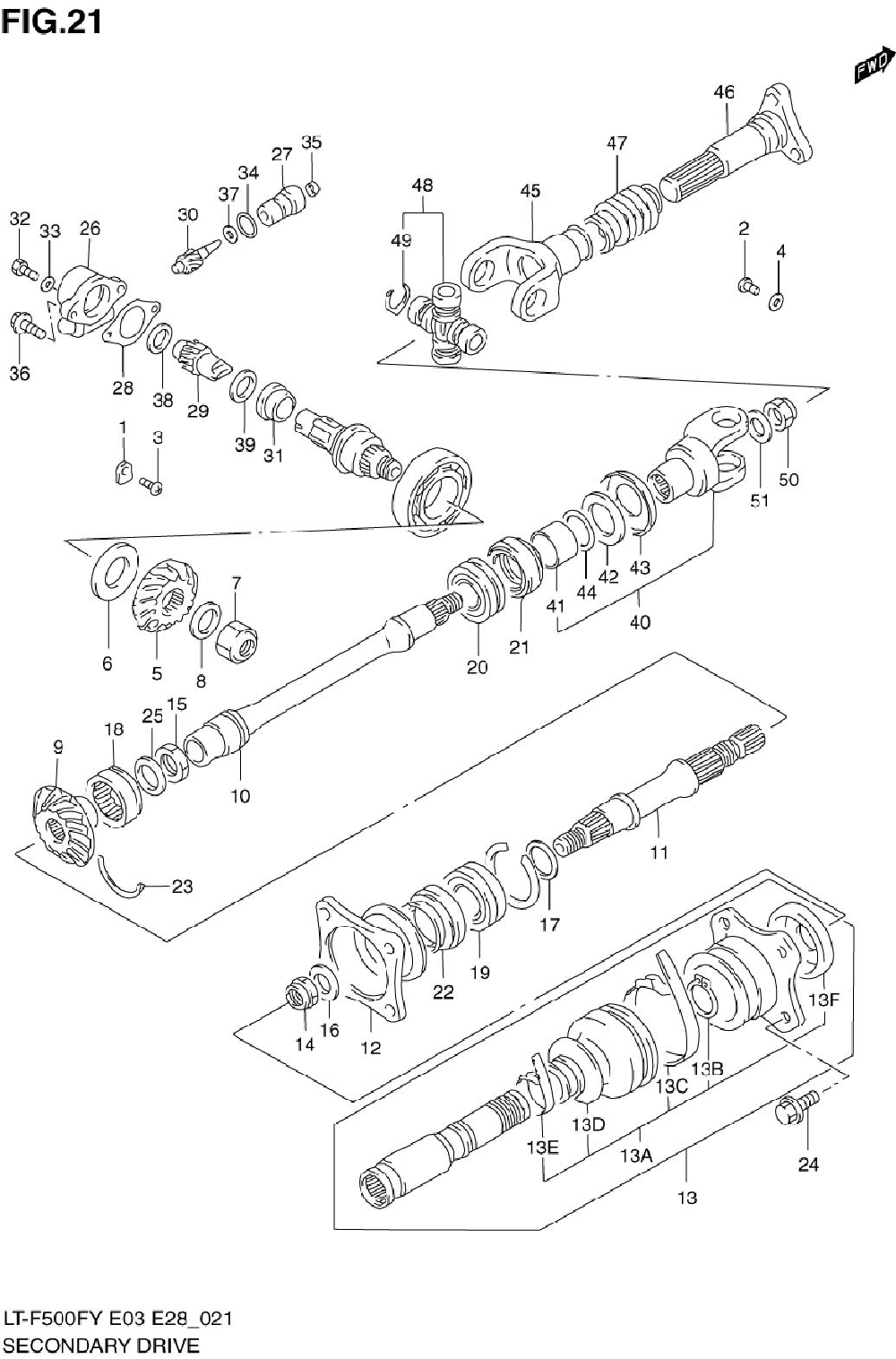
SECONDARY DRIVE (MODEL W / X / Y)
Корзина пуста
Suzuki
LT-F500F Quad Runner 4WD 1998-2002
LT-F500F Quad Runner 4WD 1998-2002
SECONDARY DRIVE (MODEL W / X / Y)
№
Наименование
Примечание
Кол-во
1
RETAINERBEARIN
2
2-1
SCREW
2
2-2
BOLT6X12
2
4
WASHER
2
5
GEARSEC DRIVE
1
6
SHIM SETSEC DR (MODEL K3/K4/K5T:0.25/0.30/0.35/0.90/1.00/1.05/1.10/1.15)
1
7
NUT 20MM
1
8
WASHER
1
9
GEAR SEC DRIVEN BEVEL (NT:17
1
10-1
SHAFTSEC DRIVE
1
11
SHAFTSEC DRIVE
1
12-1
FLANGERR OUTPU
1
13
JOINT ASSYREAR
1
13A
BOOT SETJOINT
1
13B
RING SNAP
1
13C
CLAMP BOOT
1
13D
BOOT
1
13E
BANDBOOT
1
13F
SEAL PLATE
1
14
NUT
1
15
NUT
1
16
WASHER SEC DRIV
1
17-1
SHIMSEC DRIVEN
1
17-10
SHIM
1
17-11
SHIM
1
17-12
SHIM
1
17-13
SHIM
1
17-2
SHIMSEC DRIVEN
1
17-3
SHIM 0.7
1
17-4
SHIM
1
17-5
SHIM 0.8
1
17-6
SHIM
1
17-7
SHIM 0.9
1
17-8
SHIM
1
17-9
WASHER5TH DRIV
1
18
NDL BRG 30X50X
1
19
BRGRR OTPT25X
1
21
OIL SEAL (34X52X9)
1
23
C RING
1
24-1
BOLT
4
24-2
BOLT
4
25
WASHER
1
26
HOUSINGODOMETE
1
27
SLEEVE ODOMETER
1
28
GASKETODOMETER
1
29
Деталь
1
30
GEARODOMETER D
1
31
SPACERODOMETER
1
32
BOLT6X10
1
33
TACH GEAR WASHE
1
34
O RING D:1.9 ID
1
35
OIL SEAL
1
36
BOLT (6X20)
2
37
WASHER
1
38
THRUST WASHER
1
39
THRUST WASHER
1
40
YOKEFR DRIVE O
1
41
COLLAROUTPUT O
1
42
PLATEOUTPUT YO
1
43
PLATE
1
44
O RING D:1 ID:2
1
45
YOKE COMPPROP
1
46-1
Деталь
1
46-2
Деталь
1
47
BOOTPROP SHAFT
1
48
Шарнир продольного вала
1
49
.SNAP RING
4