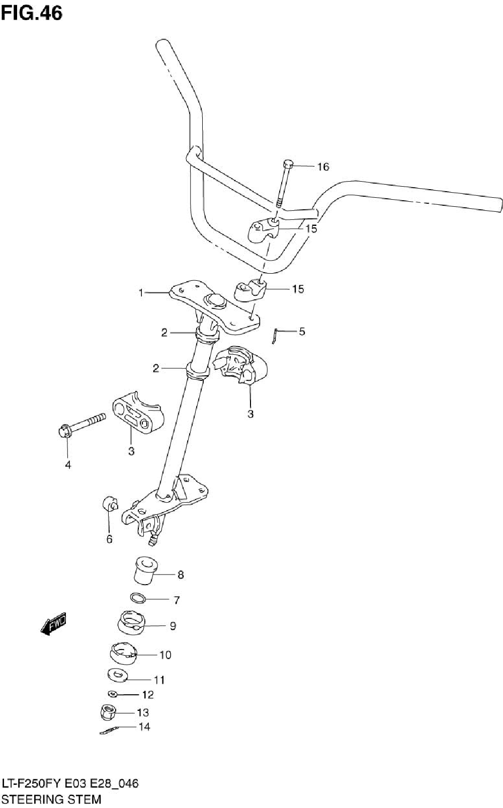
| № | Наименование | Примечание | Кол-во |
|---|---|---|---|
| 1 | SHAFTSTEERING | 1 | |
| 2 | SEAL STEERING SHAFT HLDR DUS | 2 | |
| 3 | HOLDER STEERING SHAFT | 2 | |
| 4 | BOLT 8X80 | 2 | |
| 5 | PIN | 2 | |
| 6 | CUSHION | 2 | |
| 7 | O-RING OIL FIL | 1 | |
| 8 | BUSHSTEERING S | 1 | |
| 9 | SEALSTEERING S | 1 | |
| 10 | SEALSTEERING L | 1 | |
| 11-1 | WASHER 12.5X32 (MODEL K9) | 1 | |
| 11-2 | WASHER | 1 | |
| 12 | LOCK WASHER | 1 | |
| 13 | NUT | 1 | |
| 15 | HANDLE UPPER CL | 4 | |
| 16 | BOLT | 4 |
