| № | Наименование | Примечание | Кол-во |
|---|---|---|---|
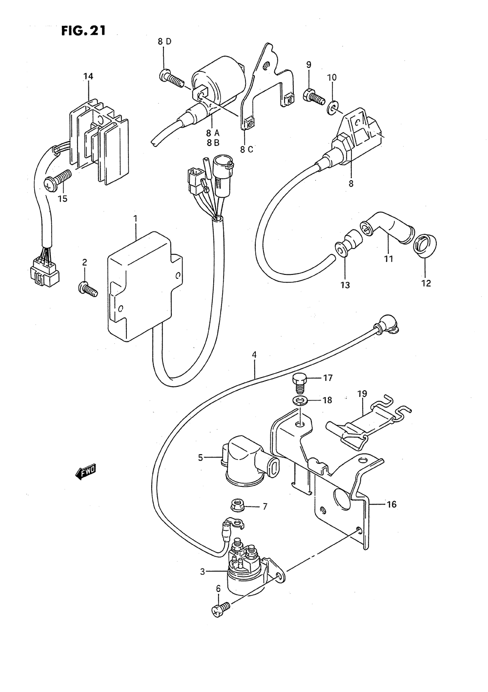
| 1-1 | UNITCDI | 1 | |
| 1-2 | CDI UNIT | 1 | |
| 1-4 | CDI UNIT | 1 | |
| 2-1 | SCREW | 2 | |
| 2-2 | SCREW | 2 | |
| 3 | RELAY STARTER M | 1 | |
| 4 | WIRESTARTER MO | 1 | |
| 5 | CAPSTARTER REL | 1 | |
| 6 | SCREW (6X8) | 2 | |
| 7 | NUT | 2 | |
| 8 | COIL ASSY IGNI | 1 | |
| 8A | COIL ASSYIGNIT | 1 | |
| 8C | Деталь | 1 | |
| 8D | SCREW | 2 | |
| 9 | BOLT | 1 | |
| 10 | WASHER | 1 | |
| 11 | SPARK PLUG CAP | 1 | |
| 12 | SEALSPARK PLUG | 1 | |
| 13 | SEAL HI TENSION | 1 | |
| 14-1 | RECTIFIER ASSY | 1 | |
| 15-1 | SCREW | 2 | |
| 15-2 | SCREW | 2 | |
| 16 | HOLDERELEC PAR | 1 | |
| 17 | BOLT | 2 | |
| 18 | WASHER LOCK (0010 per pack) | 2 | |
| 19 | BAND | 1 |
