| № | Наименование | Примечание | Кол-во |
|---|---|---|---|
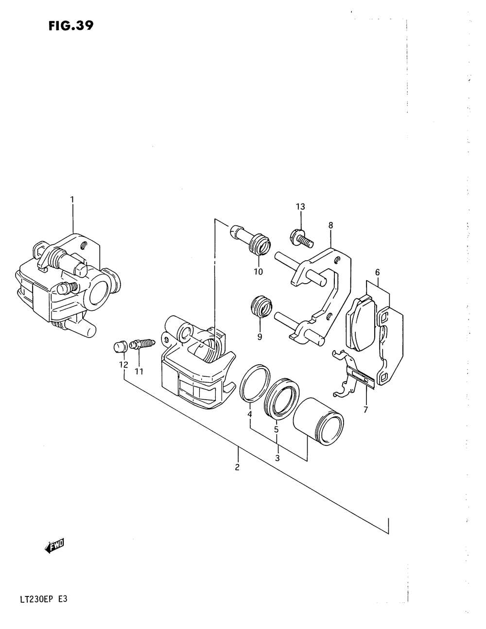
| 1-1 | CALIPER ASSYFR (MODEL H/JMODEL K->59100-19A02) | 1 | |
| 1-3 | CALIPER ASSYFR | 1 | |
| 1-4 | CALIPER ASSYFR | 1 | |
| 2-1 | CALIPER ASSYFR (MODEL H/JMODEL K->59300-19A02) | 1 | |
| 2-3 | CALIPER ASSYFR | 1 | |
| 2-4 | CALIPER ASSYFR | 1 | |
| 3 | PISTON SET | 2 | |
| 4 | SEALPISTON | 2 | |
| 5 | BOOT | 2 | |
| 6 | PAD SET | 2 | |
| 7 | SPRING | 2 | |
| 8-1 | CARRIER LH | 1 | |
| 8-2 | CARRIER RH | 1 | |
| 9 | BOOT | 2 | |
| 10 | INSULATOR AXLE | 2 | |
| 11 | BLEEDER | 2 | |
| 12 | CAPBLEEDER PLU | 2 | |
| 13 | BOLT8X13.5 | 4 |
