| № | Наименование | Примечание | Кол-во |
|---|---|---|---|
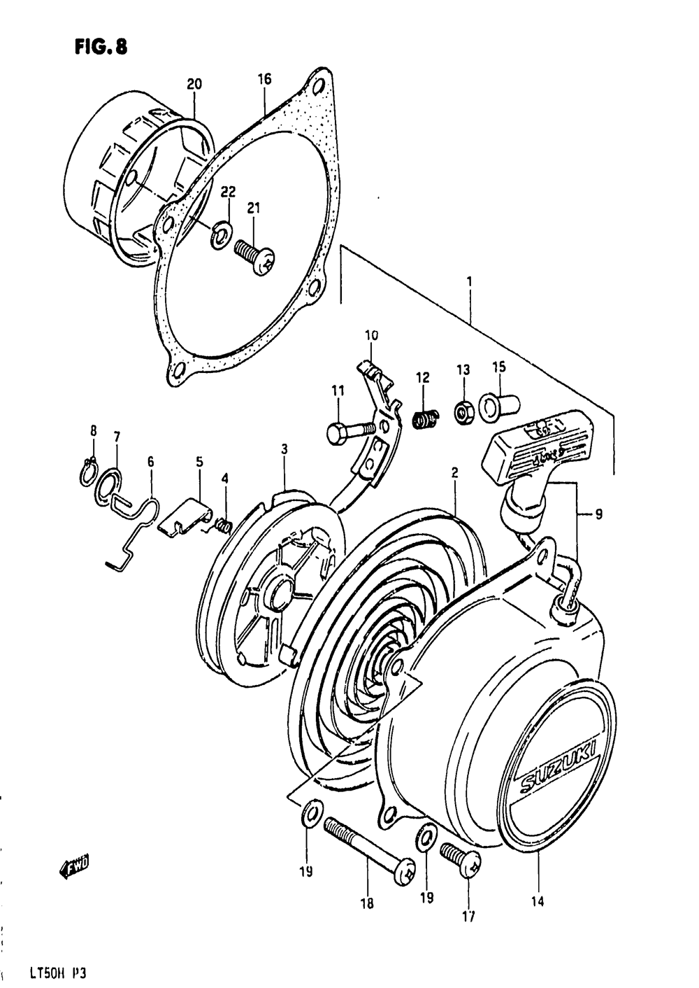
| 1 | STARTER ASSY R | 1 | |
| 2 | SPRINGRECOIL | 1 | |
| 3 | REEL | 1 | |
| 4 | SPRINGDOG | 1 | |
| 5 | DOG | 1 | |
| 6 | LEVER | 1 | |
| 7 | SHIM10X20X0.50 | 1 | |
| 8 | CIRCLIP OIL PUM | 1 | |
| 9 | GRIP ASSY | 1 | |
| 10 | LEVER ASSY | 1 | |
| 11 | BOLT | 1 | |
| 12 | SPRING | 1 | |
| 13 | NUT | 1 | |
| 14 | EMBLEM | 1 | |
| 15 | CAP | 1 | |
| 16 | GASKET STARTER | 1 | |
| 17 | SCREW | 3 | |
| 18 | SCREW | 1 | |
| 19 | WASHER | 4 | |
| 20 | CUPSTARTER | 1 | |
| 21 | SCREW | 3 | |
| 22 | WASHER LOCK (0010 per pack) | 3 |
