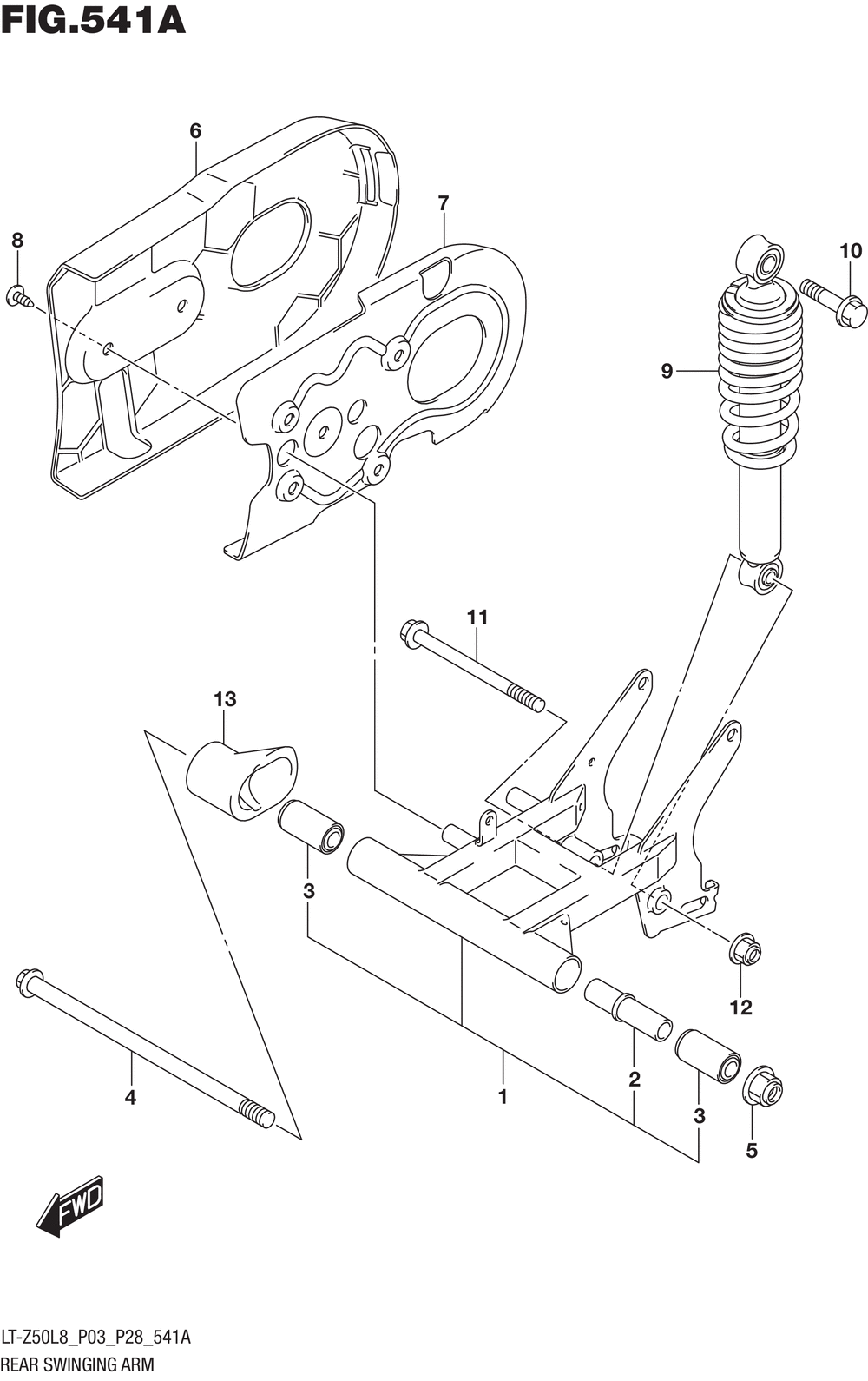
| № | Наименование | Примечание | Кол-во |
|---|---|---|---|
| 1 | SWINGINGARM ASSY REAR (BLACK | 1 | |
| 2 | .SPACER | 1 | |
| 3 | .BUSH | 2 | |
| 4 | SHAFT PIVOT | 1 | |
| 5 | NUT | 1 | |
| 6 | CASE CHAIN | 1 | |
| 7 | CASE CHAIN INNER UPPER | 1 | |
| 8 | SCREW | 5 | |
| 9 | ABSORBER ASSY RR SHOCK (RED) | 1 | |
| 10 | BOLT CALIPER | 1 | |
| 11 | BOLT L:125 | 1 | |
| 12 | NUT | 1 | |
| 13 | BUFFER CHAIN TOUCH DEFENSE | 1 |
