| № | Наименование | Примечание | Кол-во |
|---|---|---|---|
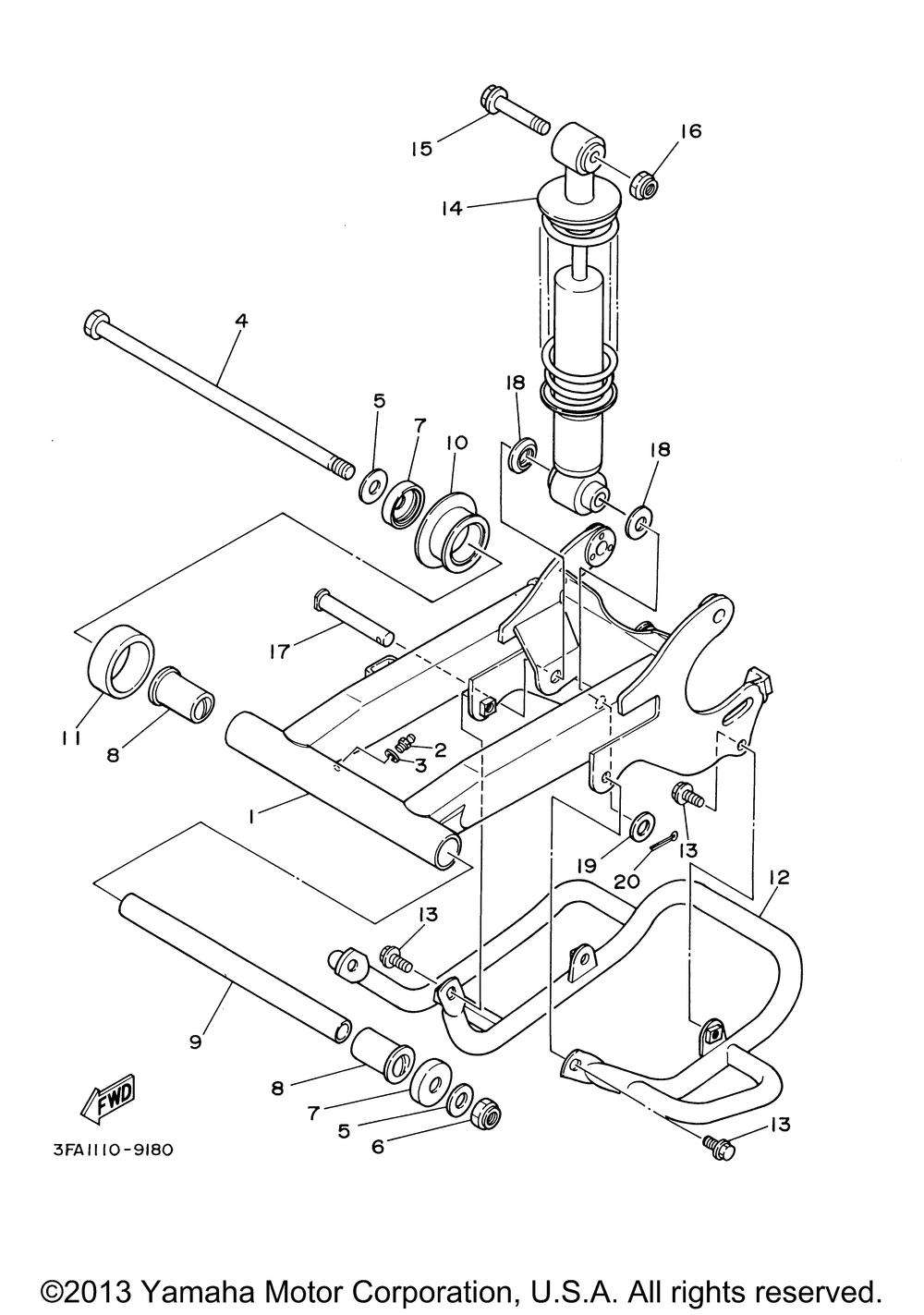
| 1 | REAR ARM YB | 1 | |
| 2 | NIPPLEGREASE | 1 | |
| 3 | WASHER (6TA) | 1 | |
| 4 | SHAFTPIVOT | 1 | |
| 5 | WASHERPLATE | 2 | |
| 6 | NUTSELF-LOCKING | 1 | |
| 7 | COVERTHRUST 1 | 2 | |
| 8 | BUSHSPEC'L NYLON | 2 | |
| 9 | COLLARDISTANCE | 1 | |
| 10 | SEALGUARD | 1 | |
| 11 | SEALGUARD | 1 | |
| 12 | COVER | 1 | |
| 13 | BOLTFLANGE (JN5) | 5 | |
| 14 | SHK/ABS ASSYREAR YB | 1 | |
| 15 | BOLTWASHER BASED | 1 | |
| 16 | NUTSELF-LOCKING | 1 | |
| 17 | PINCLEVIS | 1 | |
| 18 | COVERTHRUST 1 | 2 | |
| 19 | WASHER PLATE | 1 | |
| 20 | PINCOTTER | 1 |
