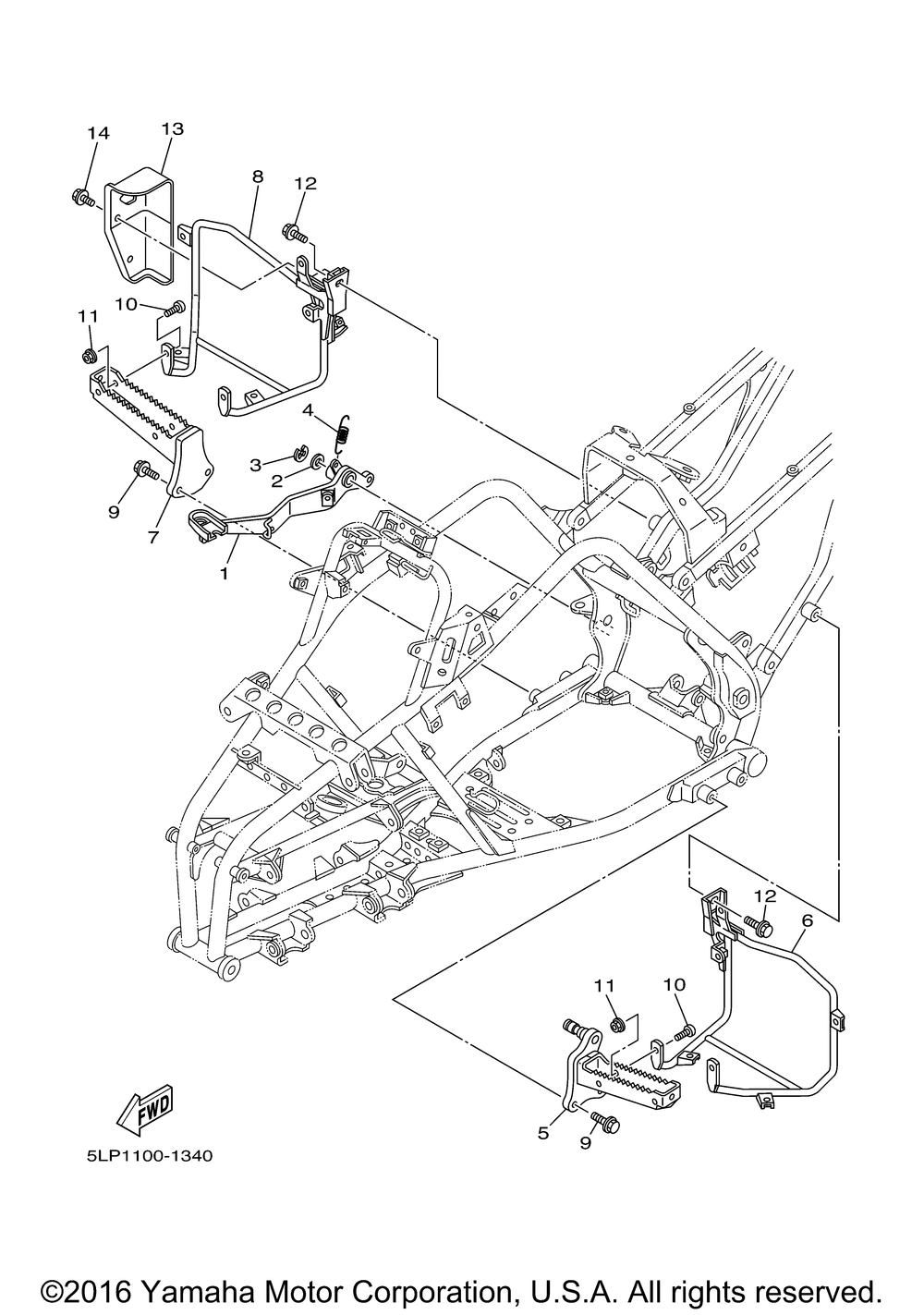
| № | Наименование | Примечание | Кол-во |
|---|---|---|---|
| 1 | PEDAL BRAKE | 1 | |
| 2 | WASHERPLATE | 1 | |
| 3 | CIRCLIPE-TYPE (5 per pack) | 1 | |
| 4 | SPRINGTENSION | 1 | |
| 5 | FOOTREST 1 | 1 | |
| 6 | PLATE 1 | 1 | |
| 7 | FOOTREST 2 | 1 | |
| 8 | PLATE 2 | 1 | |
| 9 | BOLTFLANGE (3GD) | 4 | |
| 10 | BOLTBUTTON | 4 | |
| 11 | NUT SELF LOCKING | 4 | |
| 12 | BOLTFLANGE(8AB) | 2 | |
| 13 | COVER 1 | 1 | |
| 14 | BOLT | 2 |
