| № | Наименование | Примечание | Кол-во |
|---|---|---|---|
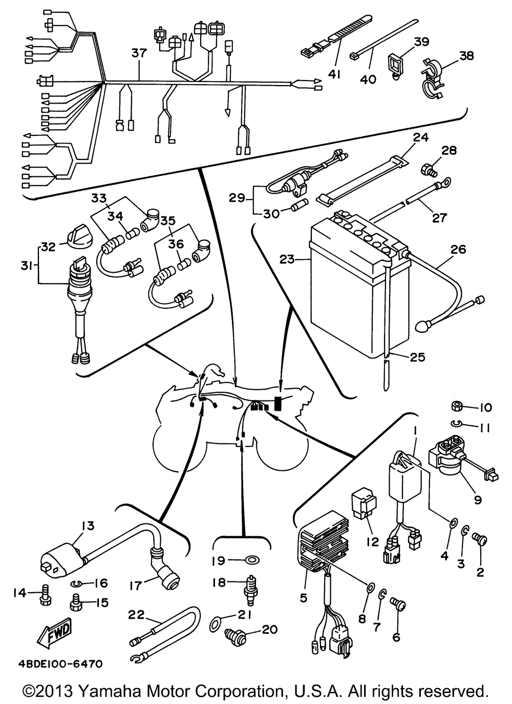
| 1 | CDI UNIT ASSY | 1 | |
| 2 | SCREWPAN HEAD | 1 | |
| 3 | WASHERSPRING (5 per pack) | 1 | |
| 4 | WASHER PLATE (6TA) | 1 | |
| 5 | RECTIFIER/REG ASSY | 1 | |
| 6 | SCREWPAN HEAD (5 per pack) | 2 | |
| 9 | STARTER RELAY ASSY | 1 | |
| 10 | NUT(JN5) | 2 | |
| 12 | RELAY ASSY (1RL-92) | 1 | |
| 13 | IGNITION COIL ASSY | 1 | |
| 14 | BOLT | 1 | |
| 15 | BOLT HEXAGON | 1 | |
| 17 | PLUG CAP ASY | 1 | |
| 18 | NEUTRAL SWITCH ASSY | 1 | |
| 19 | GASKET (5 per pack) | 1 | |
| 20 | NEUTRAL SWITCH ASSY | 1 | |
| 21 | WASHERPLATE | 1 | |
| 22 | WIRE LEAD | 1 | |
| 23 | CB12CA GS BATTERY | 1 | |
| 24 | BANDBATTERY | 1 | |
| 25 | HOSE (L620) | 1 | |
| 26 | WIRE PLUS LEAD | 1 | |
| 27 | WIREMINUS LEAD (46X-82116-00) | 1 | |
| 28 | SCREWHEXAGON | 1 | |
| 29 | FUSE HOLDER ASSY | 1 | |
| 30 | FUSE 30A (30A) | 2 | |
| 31 | MAIN SWITCH ASSY | 1 | |
| 32 | CAP KEY | 1 | |
| 33 | PILOT LIGHT ASSY NE GREEN | 1 | |
| 34 | BULB (12V3.4W) (12V-3.4W) (10 per pack) | 1 | |
| 35 | PILOT LIGHT ASSY RE | 1 | |
| 37 | WIRE HARNESS ASSY | 1 | |
| 38 | CLAMP FOR CALIFORNIA | 1 | |
| 39 | CLAMP | 1 | |
| 40 | Хомут | 1 | |
| 41 | BANDSWITCH CORD | 1 |
