| № | Наименование | Примечание | Кол-во |
|---|---|---|---|
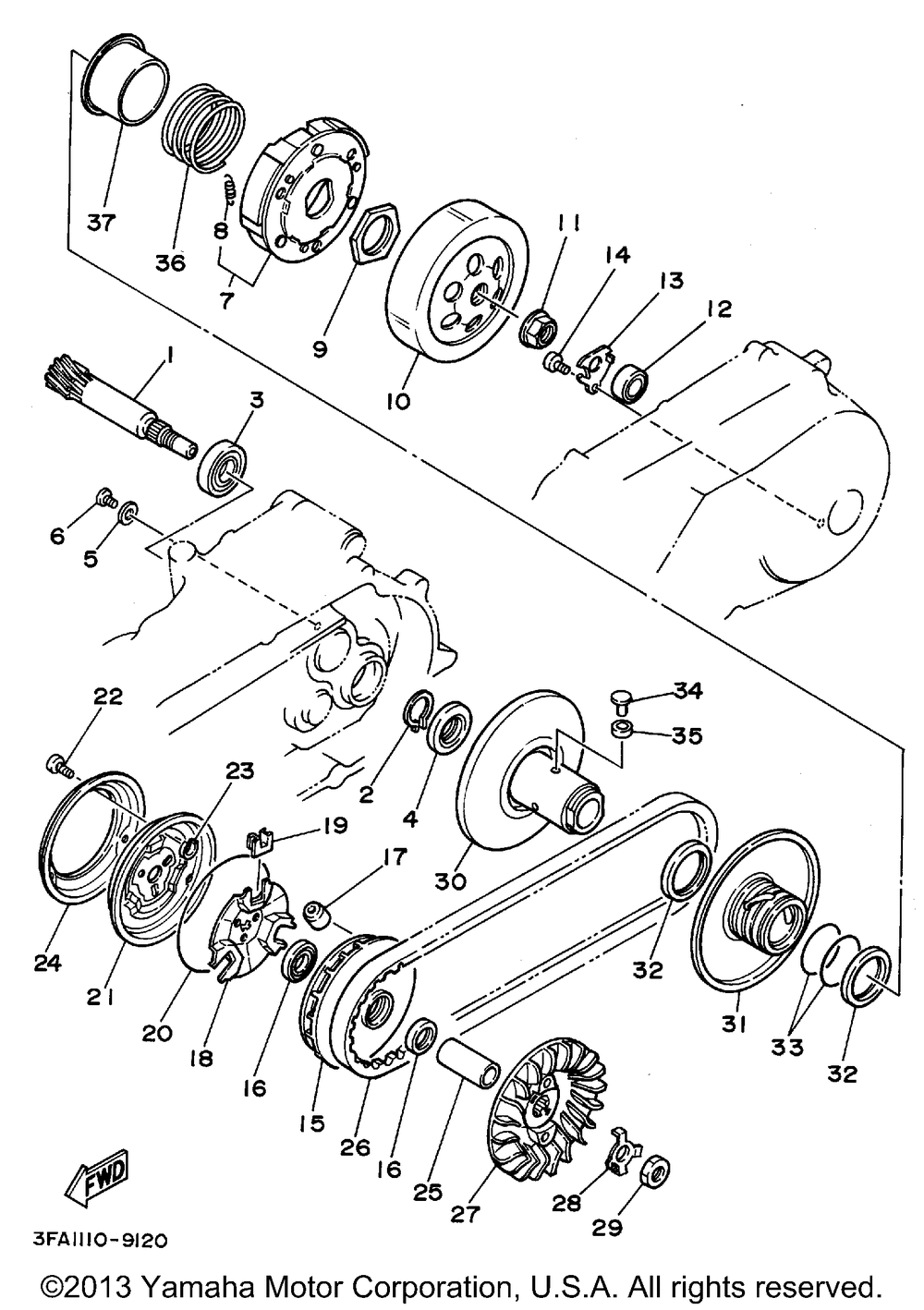
| 1 | GEARPRI DRIVE (14T) | 1 | |
| 2 | CIRCLIP | 1 | |
| 3 | BEARING | 1 | |
| 4 | OIL SEALSD-TYPE | 1 | |
| 5 | WASHERPLATE | 1 | |
| 6 | SCREW PAN HEAD | 1 | |
| 7 | CLUTCH CARRIER ASSY | 1 | |
| 8 | SPRINGCLUTCH WT 1 | 3 | |
| 9 | NUTHEXAGON | 1 | |
| 10 | CLUTCH HOUSING COMP. | 1 | |
| 11 | NUTSPEC'L SHAPE | 1 | |
| 12 | BEARINGSPECIAL | 1 | |
| 13 | PLATEBRNG COVER | 1 | |
| 15 | PRI SLIDING SHEAVE | 1 | |
| 16 | OIL SEAL | 2 | |
| 17 | WEIGHT | 6 | |
| 18 | CAM | 1 | |
| 19 | SLIDER | 3 | |
| 20 | O-RING | 1 | |
| 21 | PRI.SHEAVE CAP | 1 | |
| 22 | SCREW BIND | 3 | |
| 23 | WASHER CLAW | 3 | |
| 24 | PLATE | 1 | |
| 25 | COLLAR | 1 | |
| 26 | V-BELT | 1 | |
| 27 | SHEAVEPRI FIXED | 1 | |
| 28 | WASHERLOCK | 1 | |
| 29 | NUTHEXAGON | 1 | |
| 30 | SEC FXD SHEAVE | 1 | |
| 31 | SEC SLIDING SHEAVE | 1 | |
| 32 | OIL SEAL | 2 | |
| 33 | O-RING | 2 | |
| 34 | PINGUIDE | 3 | |
| 35 | COLLARGUIDE | 3 | |
| 36 | SPRINGCOMPRESSION | 1 | |
| 37 | SEATSEC SPRING | 1 |
