| № | Наименование | Примечание | Кол-во |
|---|---|---|---|
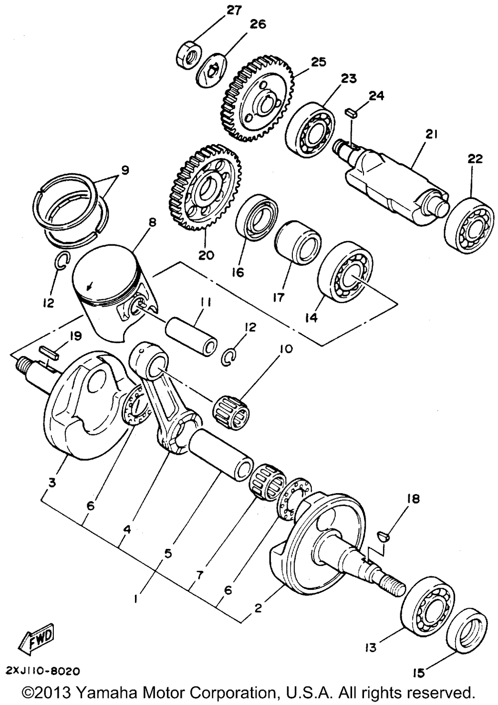
| 1 | CRANKSHAFT ASSY | 1 | |
| 2 | CRANK 1 | 1 | |
| 3 | CRANK 2 | 1 | |
| 4 | RODCONNECTING | 1 | |
| 5 | PINCRANK 1 | 1 | |
| 6 | WASHERSPEC'L SHAPE | 2 | |
| 7 | BEARING CYL.(3XP) | 1 | |
| 8 | PISTON (STD) (STD) | 1 | |
| 8 | PISTON 0.25MM O/S (0.25MM O/S) AP | 1 | |
| 8 | PISTON 0.50MM O/S (0.50MM O/S) AP | 1 | |
| 9 | PISTON RING SET STD (STD) | 1 | |
| 9 | PISTON RING O/S (.25 (0.25MM O/S) | 1 | |
| 9 | PISTON RG O/S 0.50 (0.50MM O/S) | 1 | |
| 10 | BEARING CYLINDR | 1 | |
| 11 | PINPISTON | 1 | |
| 12 | CIRCLIPINNER (5 per pack) | 2 | |
| 13 | BEARING | 1 | |
| 14 | BEARING | 1 | |
| 15 | OIL SEALSD-TYPE | 1 | |
| 16 | OIL SEAL SW TYPE (93103-32099-00 ) | 1 | |
| 17 | COLLAR | 1 | |
| 18 | KEYWOODRUFF | 1 | |
| 19 | KEYSTRAIGHT | 1 | |
| 20 | GEARDRIVE (43T) | 1 | |
| 21 | WEIGHT 1 | 1 | |
| 22 | BEARING | 1 | |
| 23 | BEARING | 1 | |
| 24 | KEYSTRAIGHT (5 per pack) | 1 | |
| 25 | BALANCER WEIGHT | 1 | |
| 26 | WASHERLOCK | 1 | |
| 27 | NUTHEXAGON | 1 |
