| № | Наименование | Примечание | Кол-во |
|---|---|---|---|
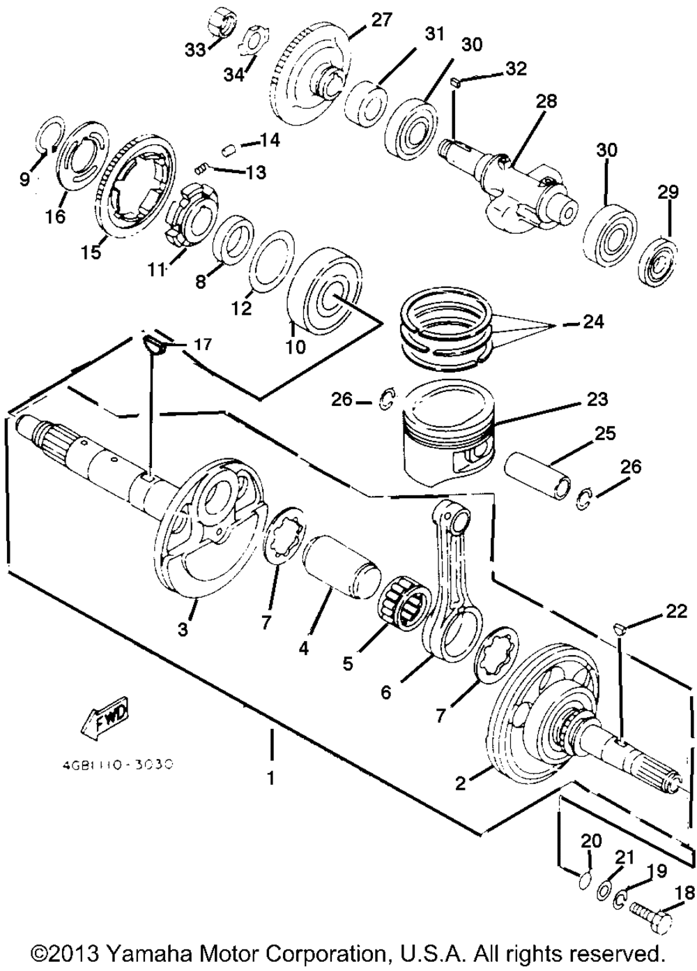
| 1 | CRANKSHAFT ASSY | 1 | |
| 2 | CRANK 1 | 1 | |
| 3 | CRANK 2 | 1 | |
| 4 | PINCRANK 1 | 1 | |
| 5 | BEARINGCYLINDRICAL | 1 | |
| 6 | ROD CONNECTING | 1 | |
| 7 | WASHERSPEC'L SHAPE | 2 | |
| 8 | COLLAR | 1 | |
| 9 | CIRCLIP | 1 | |
| 10 | BEARING(4GB) | 1 | |
| 11 | BOSSBUFFER | 1 | |
| 12 | WASHERPLATE | 1 | |
| 13 | SPRINGCOMPRESSION | 6 | |
| 14 | PINDOWEL (5 per pack) | 3 | |
| 15 | GEAR BALANCE WT. (43T) | 1 | |
| 16 | WASHERBEARING CVR | 1 | |
| 17 | KEY WOODRUFF | 1 | |
| 18 | BOLT | 1 | |
| 19 | WASHERSPRING (5 per pack) | 1 | |
| 20 | O-RING | 1 | |
| 21 | WASHER PLATE | 1 | |
| 23 | PISTON STD (STD) | 1 | |
| 23 | PISTON 2 O/S 0.50 (0.50MM O/S) AP | 1 | |
| 23 | PISTON 4 O/S 1.00 (1.00MM O/S) AP | 1 | |
| 24 | PISTON RING SET (STD) | 1 | |
| 24 | PISTON RING SET (0.50MM O/S) AP | 1 | |
| 24 | PISTON RING SET (1.00MM O/S) AP | 1 | |
| 25 | PINPISTON | 1 | |
| 26 | CIRCLIPINNER (5 per pack) | 2 | |
| 27 | GEARDRIVE | 1 | |
| 28 | WEIGHT 1 | 1 | |
| 29 | OIL SEALS-TYPE | 1 | |
| 30 | BEARING | 2 | |
| 31 | COLLAR | 1 | |
| 32 | KEYSTRAIGHT | 1 | |
| 33 | NUTHEXAGON | 1 | |
| 34 | WASHER LOCK (2NL) | 1 |
