| № | Наименование | Примечание | Кол-во |
|---|---|---|---|
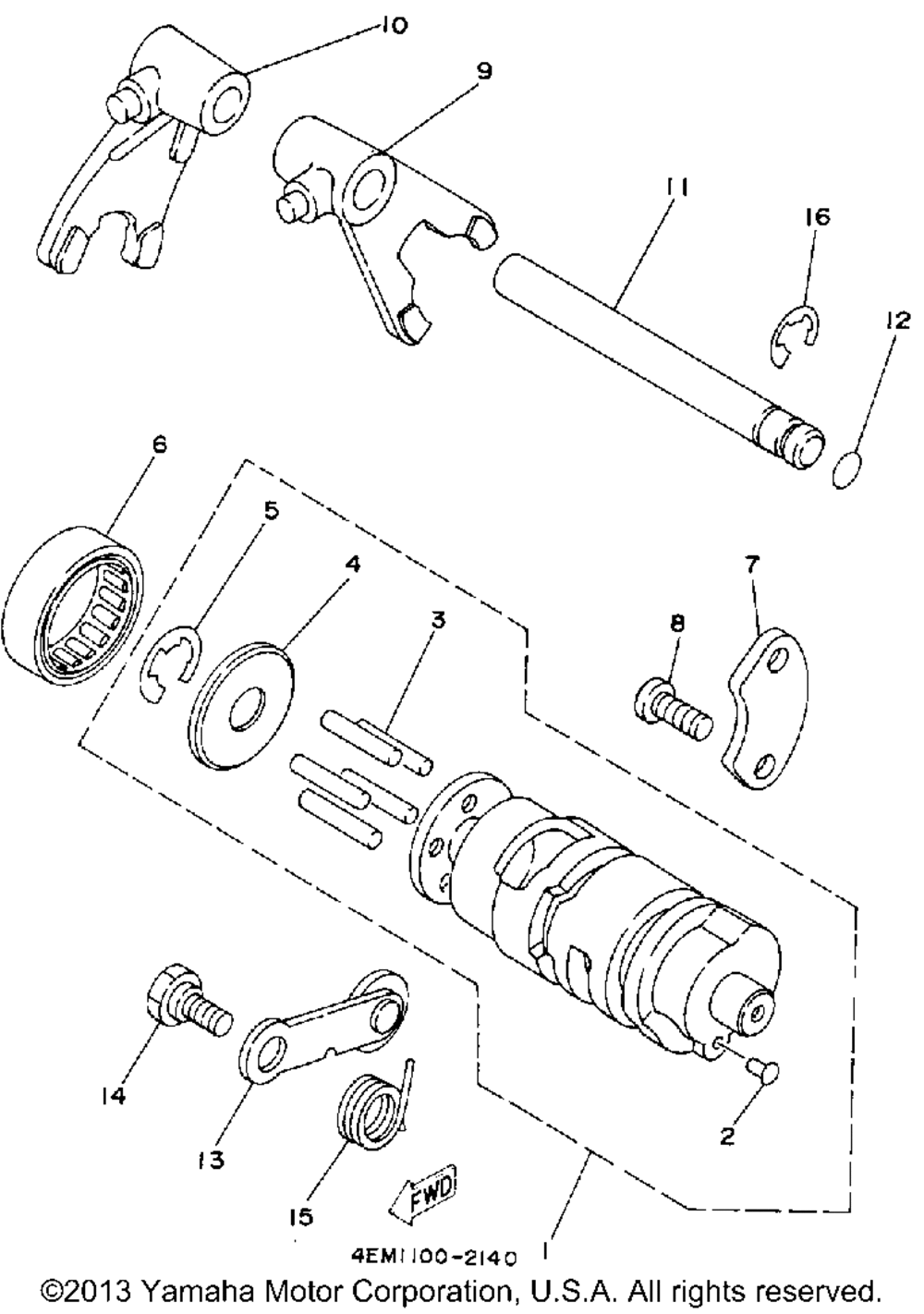
| 1 | SHIFT CAM ASSY | 1 | |
| 2 | POINTNEUTRAL | 1 | |
| 3 | PINDOWEL | 5 | |
| 4 | PLATESIDE 1 | 1 | |
| 5 | CIRCLIP | 1 | |
| 6 | BEARINGCYL.tahos_15 | 1 | |
| 7 | PLATESTOPPER 2 | 1 | |
| 8 | SCREW PAN | 2 | |
| 9 | FORK SHIFT 1 | 1 | |
| 10 | FORK SHIFT 2 | 1 | |
| 11 | BARSHFT FRK GDE 1 | 1 | |
| 12 | O-RING | 1 | |
| 13 | STOPPER LEVER ASSY | 1 | |
| 14 | BOLT | 1 | |
| 15 | SPRINGTORSION | 1 | |
| 16 | CIRCLIPE-TYPE | 1 |
