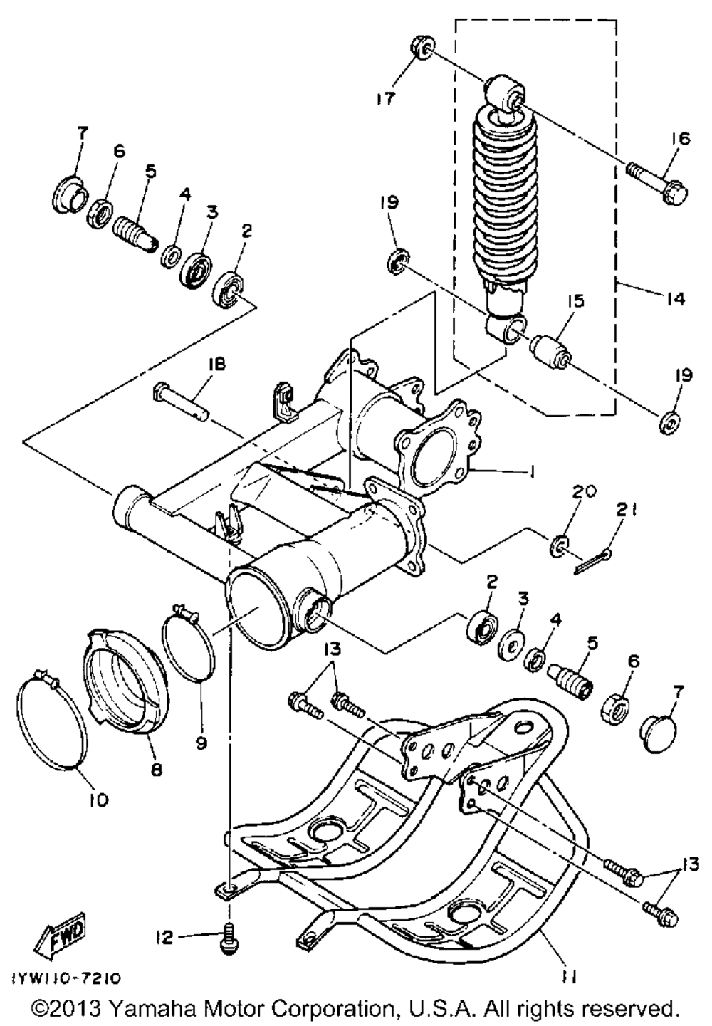
| № | Наименование | Примечание | Кол-во |
|---|---|---|---|
| 1 | REAR ARM YAMAHA BLACK | 1 | |
| 2 | BEARINGTAPRD tahos_32 | 2 | |
| 3 | Сальник (25X40X5-101) | 2 | |
| 4 | COLLAR | 2 | |
| 5 | SHAFTPIVOT | 2 | |
| 6 | NUTPIVOT SHAFT | 2 | |
| 7 | PLUGSPEC'L SHAPE | 2 | |
| 8 | BOOTRUBBER (1YW-22189-00-00) | 1 | |
| 9 | CLAMPHOSE | 1 | |
| 10 | HOSE CLAMP ASSY | 1 | |
| 11 | COVER | 1 | |
| 12 | BOLT FLANGE | 2 | |
| 13 | BOLTFLANGE (3HP) | 4 | |
| 14 | SHK/ABS ASYREAR COMP. YELLOW | 1 | |
| 15 | BUSHRR SHOCK ABS | 1 | |
| 16 | BOLTWASHER BASED | 1 | |
| 17 | NUTSELF-LOCKING | 1 | |
| 18 | PINCLEVIS | 1 | |
| 19 | COVERTHRUST 1 | 2 | |
| 20 | WASHER PLATE | 1 | |
| 21 | PINCOTTER (5 per pack) | 1 |
