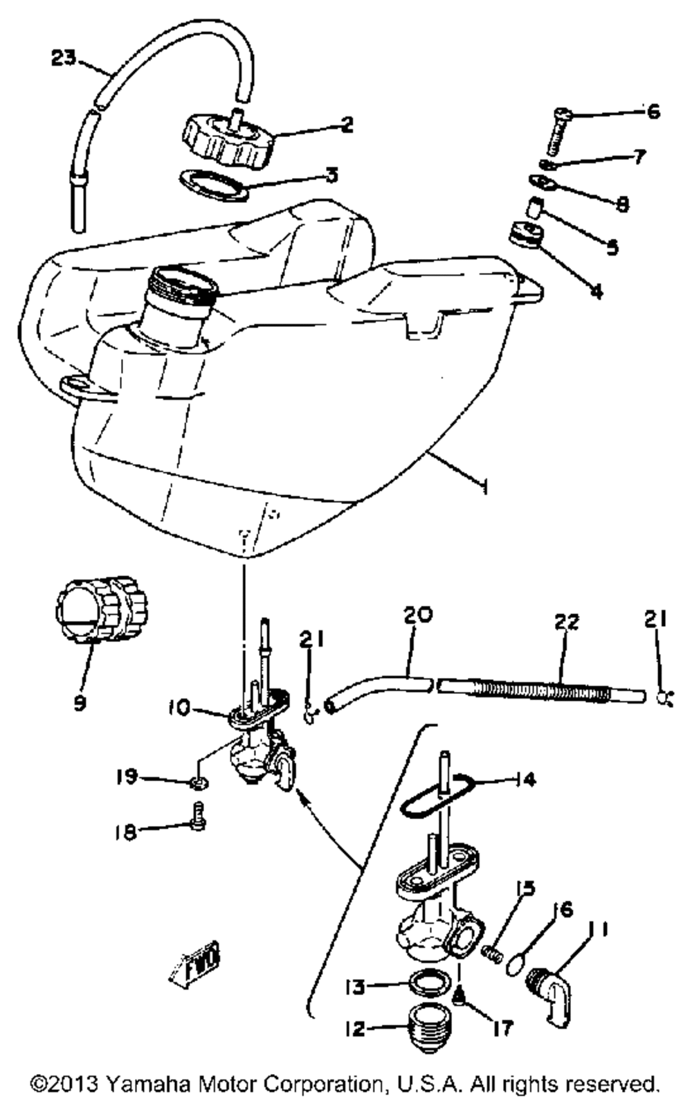
FUEL TANK YT125G - H - J

Корзина пуста