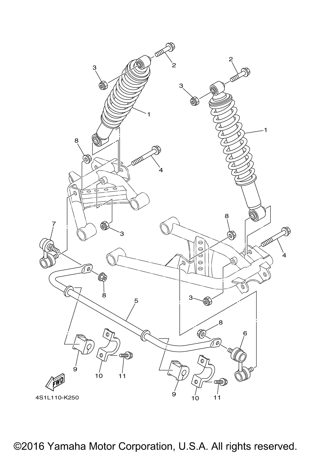
| № | Наименование | Примечание | Кол-во |
|---|---|---|---|
| 1 | SHOCK ABSORBER ASS | 2 | |
| 2 | BOLT FLANGE | 2 | |
| 3 | NUT SELF-LOCKING | 4 | |
| 4 | BOLT FLANGE | 2 | |
| 5 | BAR STABILIZER | 1 | |
| 6 | JOINT STABILIZER 1 | 1 | |
| 7 | JOINT STABILIZER 2 | 1 | |
| 8 | NUTSELF LOCKING | 4 | |
| 9 | BUSH STABILIZER F | 2 | |
| 10 | COVER STABILIZER | 2 | |
| 11 | BOLT FLANGE | 4 |
