| № | Наименование | Примечание | Кол-во |
|---|---|---|---|
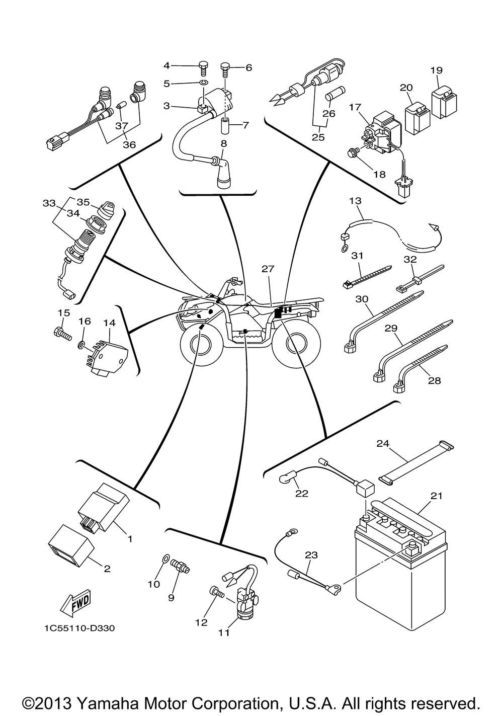
| 1 | C.D.I. UNIT ASSY | 1 | |
| 2 | BAND | 1 | |
| 3 | IGNITION COIL ASSY | 1 | |
| 4 | BOLT HEXAGON | 1 | |
| 5 | WASHER (5 per pack) | 1 | |
| 6 | BOLT | 1 | |
| 7 | HOSE (L15) | 1 | |
| 8 | PLUG CAP ASY | 1 | |
| 9 | NEUTRAL SWITCH ASSY | 1 | |
| 10 | GASKET | 1 | |
| 11 | SWITCH | 1 | |
| 12 | SCREW | 2 | |
| 13 | WIRELEAD | 1 | |
| 14 | RECTIFIER/REG. ASSY | 1 | |
| 16 | WASHER (5 per pack) | 2 | |
| 17 | STARTER RELAY ASSY (MS5E-661) | 1 | |
| 18 | BOLT FLANGE | 2 | |
| 19 | RELAY ASSY (ACA12115-1) | 1 | |
| 20 | RELAY ASSY (2NL-92) | 1 | |
| 21 | CB12CA GS BATTERY (GS 12N12C-4A-2) | 1 | |
| 22 | WIRE PLUS LEAD | 1 | |
| 23 | WIRE MINUS LEAD | 1 | |
| 24 | BANDBATTERY | 1 | |
| 25 | FUSE HOLDER ASSY | 1 | |
| 26 | FUSE (15A) (15A) | 2 | |
| 27 | WIRE HARNESS ASSY | 1 | |
| 28 | Хомут | 4 | |
| 30 | BANDSWITCH CORD | 1 | |
| 31 | CLAMP | 1 | |
| 32 | BANDSWITCH CORD | 4 | |
| 33 | MAIN SWITCH ASSY | 1 | |
| 34 | NUT MAIN SWITCH | 1 | |
| 35 | CAP KEY | 1 | |
| 36 | PILOT LIGHT ASSY | 1 | |
| 37 | BULB 12V-1.7W (12V-1.7W T6.5) (10 per pack) | 2 |
