| № | Наименование | Примечание | Кол-во |
|---|---|---|---|
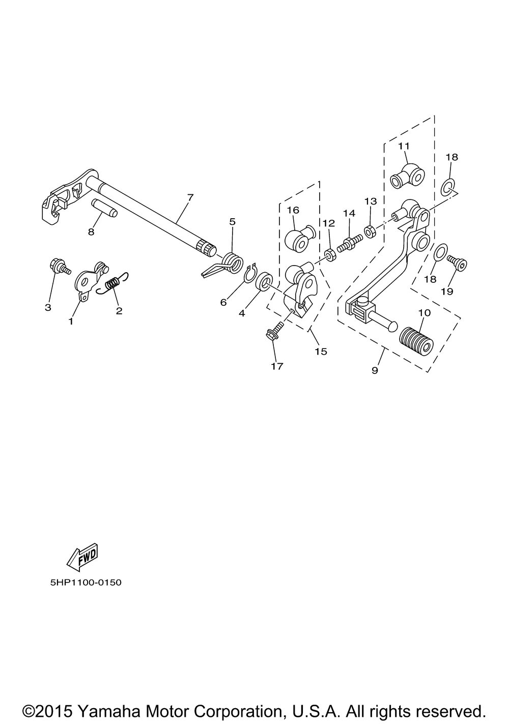
| 1 | STOPPER LEVER ASSY | 1 | |
| 2 | SPRING | 1 | |
| 3 | BOLT | 1 | |
| 4 | OIL SEALS-TYPE | 1 | |
| 5 | SPRINGTORSION | 1 | |
| 6 | CIRCLIP | 1 | |
| 7 | SHIFT SHAFT ASSY | 1 | |
| 8 | PINDOWEL | 1 | |
| 9 | SHIFT PEDAL ASSY | 1 | |
| 10 | COVERSHIFT PEDAL | 1 | |
| 11 | COVERDUST | 1 | |
| 12 | NUT | 1 | |
| 13 | NUTHEXAGON (COUNTER CLOCKWISE) | 1 | |
| 14 | ROD SHIFT | 1 | |
| 15 | ARM SHIFT | 1 | |
| 17 | BOLT FLANGE | 1 | |
| 18 | WASHERPLATE (5 per pack) | 2 | |
| 19 | BOLT | 1 |
