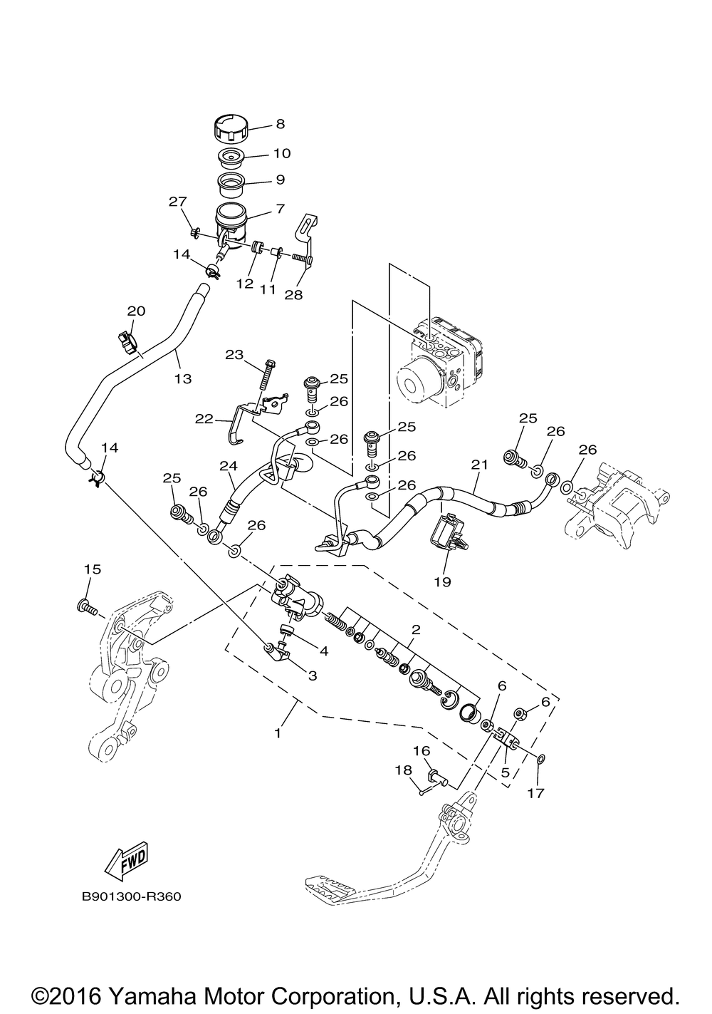
| № | Наименование | Примечание | Кол-во |
|---|---|---|---|
| 1 | RR. MASTER CYLINDE | 1 | |
| 2 | CYLINDER KIT MASTER | 1 | |
| 3 | JOINT | 1 | |
| 4 | O-RING | 1 | |
| 5 | JOINT | 1 | |
| 6 | NUT | 2 | |
| 7 | TANK RESERVOIR | 1 | |
| 8 | CAP RESERVOIR | 1 | |
| 9 | DIAPHRAGM RESERVOIR | 1 | |
| 10 | BUSHDIAPHRAGM | 1 | |
| 11 | COLLAR | 1 | |
| 12 | GROMMET | 1 | |
| 13 | HOSE RESERVOIR | 1 | |
| 14 | CLIP | 2 | |
| 15 | BOLTHEX. SOCKET BUT | 2 | |
| 16 | PIN CLEVIS | 1 | |
| 17 | WASHER PLATE | 1 | |
| 19 | CLAMP | 1 | |
| 20 | CLAMP | 1 | |
| 21 | HOSE BRAKE 5 | 1 | |
| 22 | BRACKET REFLECTOR | 1 | |
| 24 | HOSE BRAKE 4 | 1 | |
| 25 | BOLT UNION | 4 | |
| 26 | GASKET | 8 | |
| 27 | NUT FLANGE 3GM (BLA | 1 | |
| 28 | HOLDER RESERVE TANK | 1 |
