| № | Наименование | Примечание | Кол-во |
|---|---|---|---|
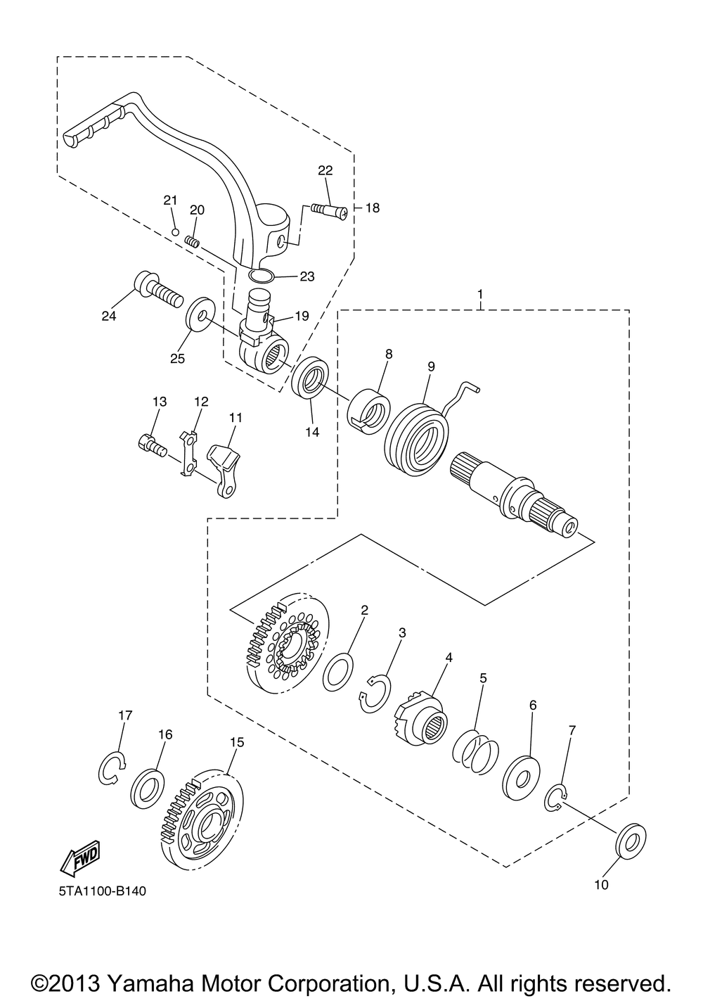
| 1 | KICK SHAFT ASSY | 1 | |
| 2 | WASHERPLATE (T=0.5) | 1 | |
| 3 | CIRCLIPS-TYPE | 1 | |
| 4 | WHEEL RATCHET | 1 | |
| 5 | SPRING COMPRESSION | 1 | |
| 6 | WASHER PLATE | 1 | |
| 7 | CIRCLIPS-TYPE | 1 | |
| 8 | GUIDE SPRING | 1 | |
| 9 | SPRINGTORSION | 1 | |
| 10 | WASHERPLATE | 1 | |
| 11 | STOPPER | 1 | |
| 12 | WASHERLOCK | 1 | |
| 13 | BOLT HEXAGON | 2 | |
| 14 | OIL SEALSD-TYPE | 1 | |
| 15 | GEAR KICK IDLE | 1 | |
| 16 | WASHERPLATE (T=1.0) | 1 | |
| 17 | CIRCLIP (5 per pack) | 1 | |
| 18 | KICK CRANK ASSY | 1 | |
| 19 | BOSS KICK CRANK | 1 | |
| 20 | SPRING COMPRESSION | 1 | |
| 21 | BALL 7/32 (5 per pack) | 1 | |
| 22 | SCREWCOUNTERSUNK | 1 | |
| 23 | O-RING | 1 | |
| 24 | BOLT (5 per pack) | 1 | |
| 25 | WASHERPLATE | 1 |
