| № | Наименование | Примечание | Кол-во |
|---|---|---|---|
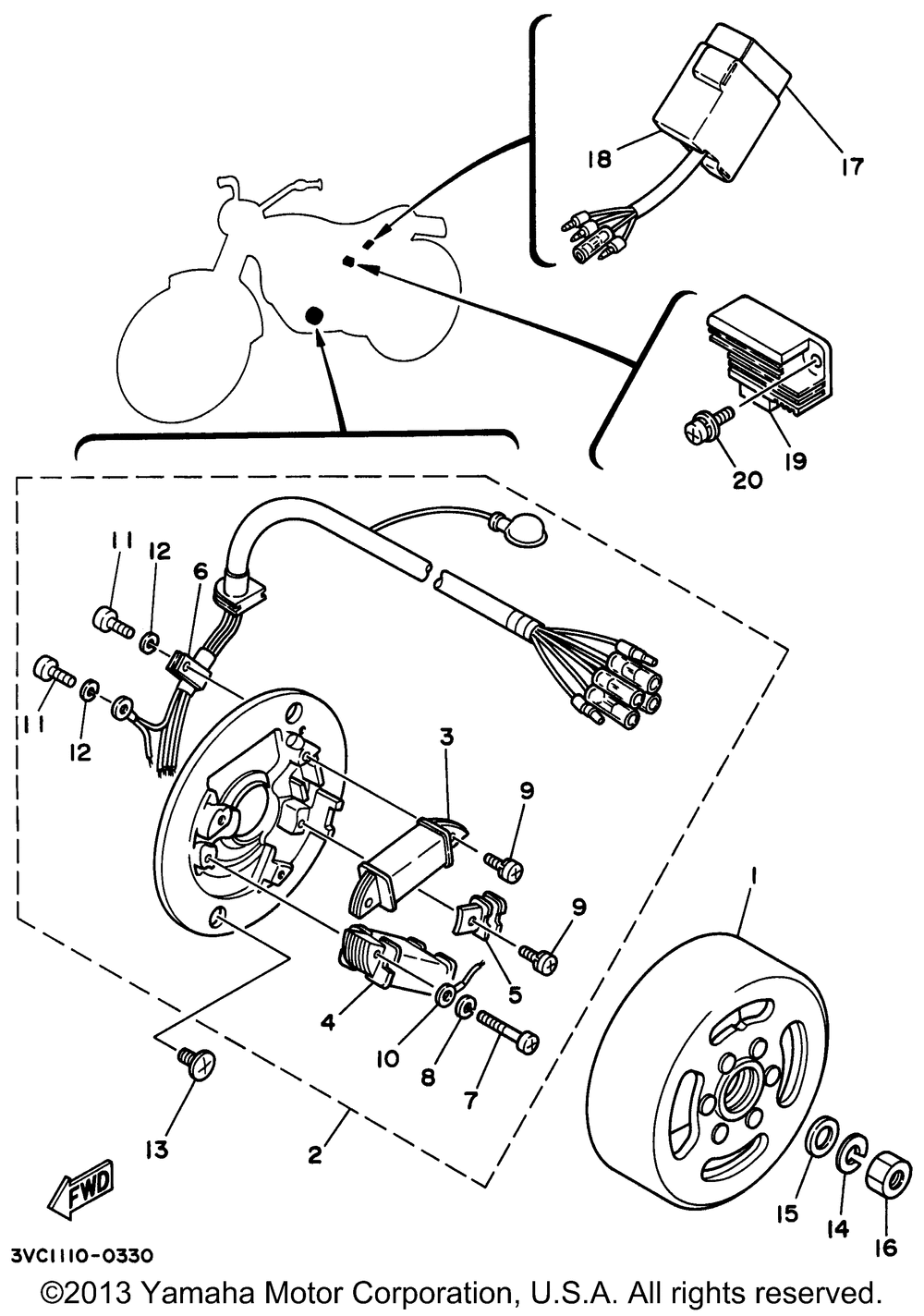
| 1 | ROTOR ASSY | 1 | |
| 2 | BASE ASSY | 1 | |
| 3 | COILCHARGE | 1 | |
| 4 | COILLIGHTING | 1 | |
| 5 | COILPULSER | 1 | |
| 6 | CLAMP | 1 | |
| 8 | WASHERSPRING (5 per pack) | 2 | |
| 9 | SCREWPANHEAD | 3 | |
| 10 | TERMINALEARTH 2 | 1 | |
| 11 | SCREWPAN HEAD | 2 | |
| 14 | WASHER SPRING | 1 | |
| 15 | WASHERPLATE | 1 | |
| 16 | NUTHEXAGON | 1 | |
| 17 | CDI UNIT ASSY | 1 | |
| 18 | BAND | 1 | |
| 19 | RECTIFIER/REG ASSY | 1 | |
| 20 | SCREW PAN HEAD | 2 |
