| № | Наименование | Примечание | Кол-во |
|---|---|---|---|
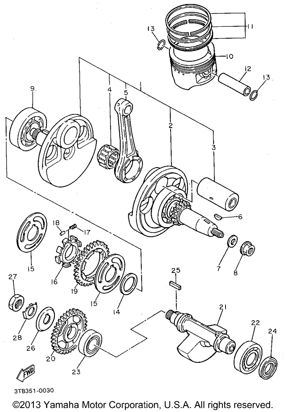
| 1 | CRANKSHAFT ASY | 1 | |
| 2 | CRANK 1 | 1 | |
| 3 | PINCRANK 1 | 1 | |
| 4 | BEARINGCYLINDRIC | 1 | |
| 5 | RODCONNECTING | 1 | |
| 6 | KEY WOODRUFF | 1 | |
| 7 | WASHER PLATE | 1 | |
| 8 | NUTSPEC'L SHAPE | 1 | |
| 9 | BEARING | 1 | |
| 10 | PISTON STD (STD) | 1 | |
| 10 | PISTON 2 O/S 0.50 (0.50MM O/S) AP | 1 | |
| 10 | PISTON 4 O/S 1.00 (1.00MM O/S) AP | 1 | |
| 11 | PISTON RINGSET STD (STD) | 1 | |
| 11 | PISTON RINGSET 2ND (0.50MM O/S) AP | 1 | |
| 11 | PISTON RINGSET 4TH (1.00MM O/S) | 1 | |
| 12 | PINPISTON | 1 | |
| 13 | CIRCLIPINNER (5 per pack) | 2 | |
| 14 | WASHERPLATE | 1 | |
| 15 | WASHERBEARING CVR | 2 | |
| 16 | BOSSBUFFER | 1 | |
| 17 | SPRINGCOMPRESSION | 8 | |
| 18 | PINDOWEL (5 per pack) | 4 | |
| 19 | GEAR DRIVE | 1 | |
| 20 | GEARBALANCE WT-44 | 1 | |
| 21 | WEIGHT 1 | 1 | |
| 22 | BEARING | 1 | |
| 23 | BEARING | 1 | |
| 24 | OIL SEALS-TYPE | 1 | |
| 25 | KEYSTRAIGHT (5 per pack) | 1 | |
| 26 | PLATEBREATHER 2 | 1 | |
| 27 | NUTHEXAGON | 1 | |
| 28 | WASHERLOCK | 1 |
