| № | Наименование | Примечание | Кол-во |
|---|---|---|---|
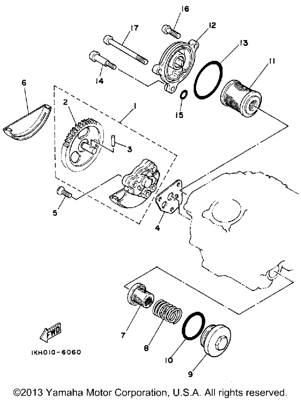
| 1 | OIL PUMP ASSY | 1 | |
| 2 | GEAR PUMP DRIVEN (45T) | 1 | |
| 3 | PINDOWEL (5 per pack) | 1 | |
| 4 | GASKETPUMP COVER | 1 | |
| 5 | SCREWFLAT HEAD | 3 | |
| 6 | COVERPUMP GEAR | 1 | |
| 8 | SPRINGCOMPRESSION | 1 | |
| 9 | PLUGDRAIN | 1 | |
| 10 | O-RING | 1 | |
| 11 | Фильтр масляный | 1 | |
| 12 | COVEROIL ELEMENT | 1 | |
| 13 | O-RING | 1 | |
| 14 | BOLT | 1 | |
| 15 | O-RING (5 per pack) | 1 | |
| 16 | SCREWPAN HEAD | 1 | |
| 17 | SCREW PAN | 1 |
