Оригинальные каталоги
Масла и жидкости
Масла моторные
Масла трансмиссионные
Жидкости гидравлические
Жидкости охлаждающие
Жидкости тормозные
Масла гидравлические
Масла для вилок и амортизаторов
Масла компрессорные
Жидкости для стекол
Масла для цепей бензопил
Масла индустриальные
Масла промывочные
Раствор мочевины AdBlue
Автоэлектроника
Видеорегистраторы
Пылесосы автомобильные
FM трансмиттеры
Зарядные устройства
Разветвители, удлинители прикуривателя
Кабели
Вентиляторы автомобильные
Штекер прикуривателя
Датчик парктроника
Камеры заднего вида
Мониторы парковочные
Парктроники
Термометры
Накидки на сиденье с подогревом
Автохолодильники
Антирадары
Диагностический сканер
Аксессуары
Набор автомобилиста
Ароматизаторы
Тросы буксировочные
Канистры
Ремни крепления груза
Стяжки-резинки крепления
Сетки для крепления груза
Скотч
Влажные салфетки
Держатели телефонов, планшетов
Карты памяти
Наушники
Аккумулятор холода
Термосумки и контейнеры
Фонарики
Батарейки
Оплетки на руль
Огнетушители
Салфетки, полотенца, варежки
Инструмент
Домкраты
Компрессоры
Манометры
Насосы
Светильники переносные
Шарнирно-губцевый инструмент
Ударный инструмент
Метчики. Плашки
Заклёпочники
Заклёпки
Измерительный инструмент
Свёрла
Отвёртки
Изолента
Надфили. Напильники
Ножи, ножовки
Щётки
Абразивная бумага
Специнструмент
Ключи
Хомуты
Дрель-шуруповерт
Автохимия
Присадки
Промывки
Очистители
Смазки спрей
Смазки пластичные
Герметики
Средство для рук
Клей
Лакокрасочные материалы
Автошампуни
Полироли
Антифриз для тормозной системы
Масло для пропитки фильтров
Антикоррозионные составы
Прочее
Электрооборудование
Зарядные устройства
Инверторы
Конвертеры
Звуковые сигналы
Провода прикуривания
Предохранители
Противотуманные фары
Дневные ходовые огни
Электрика фаркопа
Шины и диски
Автошины
Грузовые шины
Мотошины
Камеры
Мотокамеры
Лента обода шины
Колпаки
Диски
Одежда и экипировка
Жилеты
Запчасти
Аккумуляторы
Лампы
Щетки стеклоочистителя
Гофры глушителя
Велотовары
Велосипеды
Самокаты
Велокамеры
Искать по VIN или номеру детали
Поиск по штрих-коду
Искать по VIN-номеру
Войти
Авторизация
Логин
Пароль
Напомнить пароль
Запомнить
Войти
Зарегистрироваться
Авторизоваться другим способом
Востановить пароль
Введите ваш email:
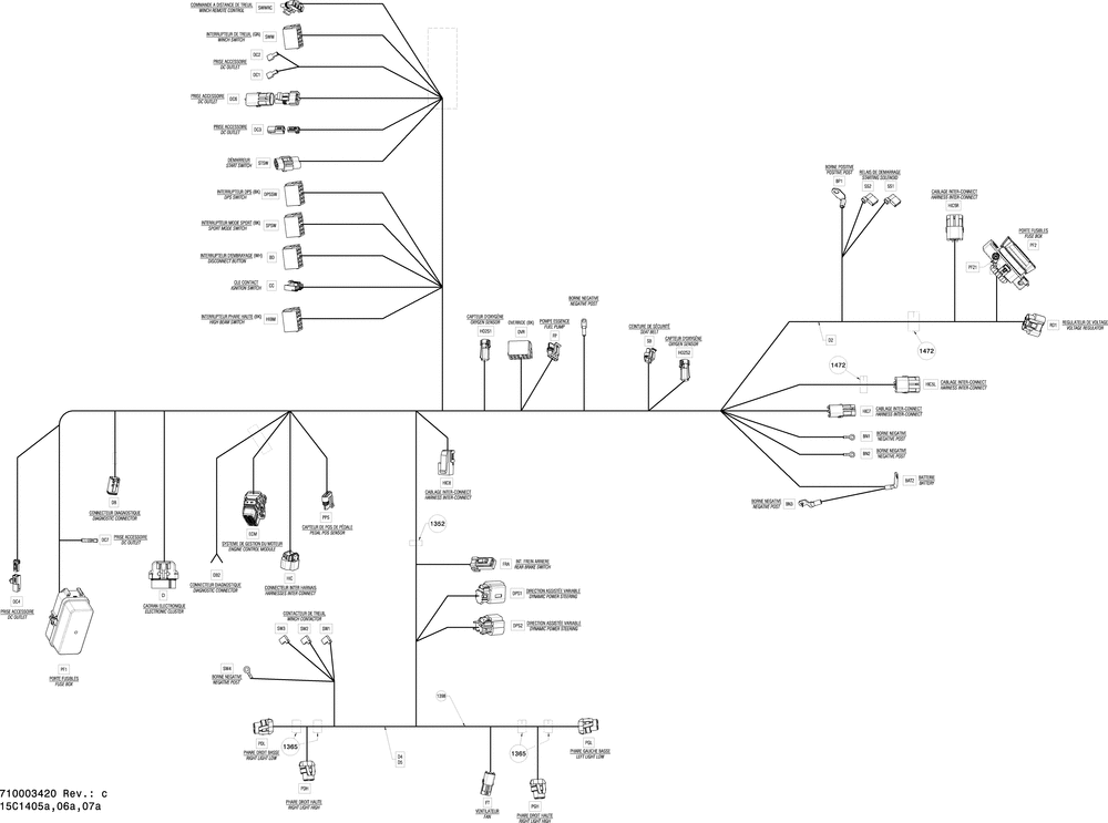
10- Electrical Harness Main_15C1405a
Корзина пуста
Can-Am
Maverick 1000, STD, XRS, XRS-DPS
Maverick 1000, STD, XRS, XRS-DPS
10- Electrical Harness Main_15C1405a
№
Наименование
Примечание
Кол-во
BAT2
TERMINAL 90
1
BD
HOUSING CONNECTOR
1
BD
TERMINAL
1
BN1
TERMINAL
1
BN2
OPEN BARREL (10.000 per pack)
1
BN3
OPEN BARREL
1
BP1
TERMINAL
1
CC
LOCK
1
CC
MALE HOUSING 6 CIRCUITS
1
CC
TERMINAL
1
CI
Female Housing 24 Circuits
1
CI
Retainer Block
1
CI
Wire Seal
1
CI
Plug
1
CI
Female Housing
1
CI
Female Terminal
1
D2
Diode
1
DB
Female Terminal
1
DB
Male Wedge 6 Circuits
1
DC1
FEMALE TERMINAL (20.000 per pack)
1
DC3
Female Terminal
1
DC3
FEMALE HOUSING 2 CIRCUITS
1
DC3
Male Housing, 2 Circuits
1
DC6
WIRE SEAL (5.000 per pack)
1
DC6
Female Housing, 2 Circuits
1
DC6
Wire Seal
1
DC6
MALE CONNECTOR 2 CIRCUITS
1
DC6
FEMALE TERMINAL
1
DC6
CLIP
1
DC7
Insulated Sheath
1
DC7
FEMALE TERMINAL (5.000 per pack)
1
DPS1
PLUG
1
DPS1
TERMINAL
1
DPS1
HOUSING CONNECTOR
1
DPS2
Wire Seal
1
DPS2
HOUSING CONNECTOR
1
DPS2
TERMINAL
1
DPS2
LOCK
1
DPSSW
CONNECTEUR *HOUSING
1
ECM
Female Terminal Housing, 48 Circuits
1
ECM
Female Terminal
1
ECM
Cover
1
ECM
Plug
1
ECM
Plug
1
ECM
Female Terminal
1
FP
Wire Seal
1
FP
Female Terminal
1
FP
Female Housing 4 Circuits
1
FP
Wire Seal
1
FP
Female Terminal
1
FT
Male Terminal
1
HIBM
TERMINAL
1
HIC
LOCK
1
HIC
Cap
1
HIC
Terminal
1
HIC
Terminal
1
HIC
JOINT *SEAL
1
HIC
Seal
1
HIC
Housing
1
HIC5L
Male Terminal
1
HIC5L
FEMALE TERMINAL HOUSING 3 CIRCUITS (5.000 per pack)
1
HIC5L
Wire Seal (20 Gauge) (Purple) (Packard)
1
HIC5L
CLIP
1
HIC8
CONNECTEUR *HOUSING
1
HIC8
CONNECTEUR *HOUSING
1
HO2S1
Seal
1
HO2S1
Housing
1
HO2S1
LOCK
1
HO2S1
Gold Terminal
1
PDH
Female Terminal
1
PDH
Wire Seal
1
PDH
Lock
1
PDH
Housing
1
PF1
Wire Seal
1
PF1
FOAM
1
PF1
JOINT DE FIL *SEAL
1
PF1
Relay, 30 AMP
1
PF1
FUSE BOX BASE ASS
1
PF1
Little Fuse, 5 Amperes
1
PF1
Little Fuse 7.5 Amperes
1
PF1
Little Fuse, 10 Amperes
1
PF1
Little Fuse, 15 Amperes
1
PF1
LITTLE FUSE 30 AMPERES
1
PF1
FUSE PULLER
1
PF1
FEMALE TERMINAL (5.000 per pack)
1
PF1
Female Terminal
1
PF1
CAP
1
PF1
FUSE COVER
1
PF1
Relay
1
PF1
FUSE 25 AMPS
1
PF1
LOGO FUSE RELAY
1
PF2
Hex. Elastic Flanged Nut M6
1
PF2
Fuse, 40 AMP
1
PF2
Fuse 50 AMP
1
PF2
Cap
1
PF2
LOCK
1
PF2
TERMINAL
1
PF2
Terminal Joint
1
PF2
BOITE FUSIBLE *FUSE BOX
1
PF2
Seal Joint
1
PF21
PROTECTOR CAP
1
PPS
FEMALE TERMINAL HOUSING 6 CIRCUITS (2.000 per pack)
1
PPS
FEMALE TERMINAL
1
RD1
HOUSING 3 CIRCUITS
1
RD1
CAP
1
RD1
JOINT *SEAL
1
RD1
TERMINAL
1
SB
FEMALE TERMINAL
1
SB
LOCK
1
SB
LOGEMENT *HOUSING
1
SS1
FEMALE TERMINAL (10.000 per pack)
1
STSW
FEMALE TERMINAL (10.000 per pack)
1
STSW
JOINT *SEAL (10.000 per pack)
1
SW3
FEMALE TERMINAL (10.000 per pack)
1
SW4
OPEN BARREL (10.000 per pack)
1
SWW
HOUSING CONNECTOR
1
SWWRC
FEMALE TERMINAL (5.000 per pack)
1
SWWRC
MALE HOUSING 3 CIRCUITS
1
1
WIRING HARNESS ASSEMBLY Main Harness
1
1352
Dart Tie Rap 200MM
1
1365
Tie-Rap Clip
1
1398
PROTECTOR TUBE
0
1472
Tie Rap Clip
1