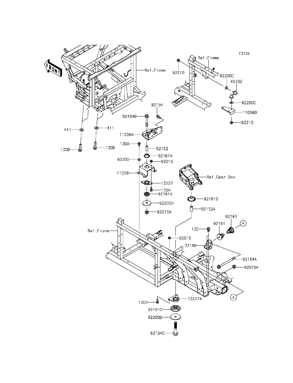
| № | Наименование | Примечание | Кол-во |
|---|---|---|---|
| 130 | BOLT-FLANGED10X20 | 2 | |
| 130A | BOLT-FLANGED8X20 | 8 | |
| 130B | BOLT-FLANGED12X45 | 4 | |
| 411 | WASHER-PLAIN12MM | 4 | |
| 11056 | BRACKET | 1 | |
| 11056A | BRACKET | 1 | |
| 11056B | BRACKET | 1 | |
| 13227 | HOUSING | 1 | |
| 13227A | HOUSING | 1 | |
| 32190 | BRACKET-ENGINE | 1 | |
| 46102 | RODSTABILIZERLH | 1 | |
| 92015 | NUTFLANGED8MM | 4 | |
| 92015A | NUT12MM | 2 | |
| 92152 | COLLAR13X19.1X54 | 1 | |
| 92152A | COLLAR17X23.8X54.5 | 1 | |
| 92154 | BOLTFLANGED10X20 | 7 | |
| 92154A | BOLTFLANGED12X150 | 1 | |
| 92154B | BOLTFLANGED12X80 | 1 | |
| 92154C | BOLTFLANGED16X86 | 1 | |
| 92161 | DAMPER | 2 | |
| 92161A | DAMPER | 2 | |
| 92161B | DAMPER | 1 | |
| 92161C | DAMPER | 1 | |
| 92200 | WASHER8.2X20.0X2.5 | 4 | |
| 92200A | WASHER12.5X55X4.76 | 1 | |
| 92200B | WASHER16.5X100X4.76 | 1 | |
| 92200C | WASHER 10.3X23X1.6 | 2 | |
| 92210 | NUTLOCKFLANGED10MM | 2 |
