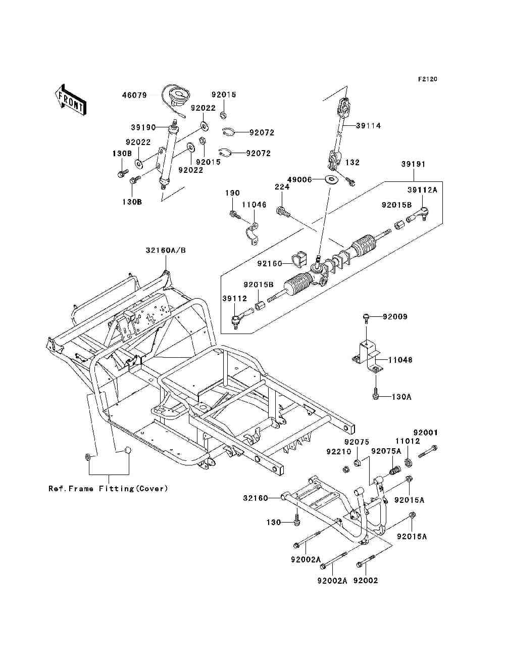
| № | Наименование | Примечание | Кол-во |
|---|---|---|---|
| 130 | BOLT-FLANGED8X20 | 4 | |
| 130A | BOLT-FLANGED | 2 | |
| 130B | BOLT-FLANGED10X30BL | 2 | |
| 132 | BOLT-FLANGED-SMALL | 2 | |
| 190 | BOLT-UPSET-WS | 4 | |
| 224 | SCREW-PAN-WP-CROS | 1 | |
| 11012 | CAPENGINE BRACKET | 4 | |
| 11046 | BRACKETSTEERING GEAR | 2 | |
| 11048 | BRACKETREAR FRAME | 1 | |
| 32160 | FRAME-COMPRR | 1 | |
| 39112 | RODEND-TIESTEERING GEARLH | 1 | |
| 39112A | RODEND-TIESTEERING GEARRH | 1 | |
| 39114 | SHAFT-COMP-STRG | 1 | |
| 39190 | SHAFT-ASSY-STEERING | 1 | |
| 39191 | GEAR-ASSY-STEERING | 1 | |
| 46079 | CONTACTHORN SWITCH | 1 | |
| 49006 | BOOTSTEERING SHAFTLWR | 1 | |
| 92001 | BOLTFLANGED10X85 | 4 | |
| 92002 | BOLTFLANGED10X80 | 1 | |
| 92002A | BOLTFLANGED10X145 | 2 | |
| 92009 | SCREW | 1 | |
| 92015 | NUTLOCK10MMBLACK | 2 | |
| 92015A | NUTLOCK10MM | 3 | |
| 92015B | NUT | 2 | |
| 92022 | WASHER10.5X26X2.3BL | 3 | |
| 92072 | BANDL=188 | 2 | |
| 92075 | DAMPER | 4 | |
| 92075A | DAMPERENGINE BRACKET | 4 | |
| 92160 | DAMPERSTEERING GEAR | 2 | |
| 92210 | NUT | 4 |
