| № | Наименование | Примечание | Кол-во |
|---|---|---|---|
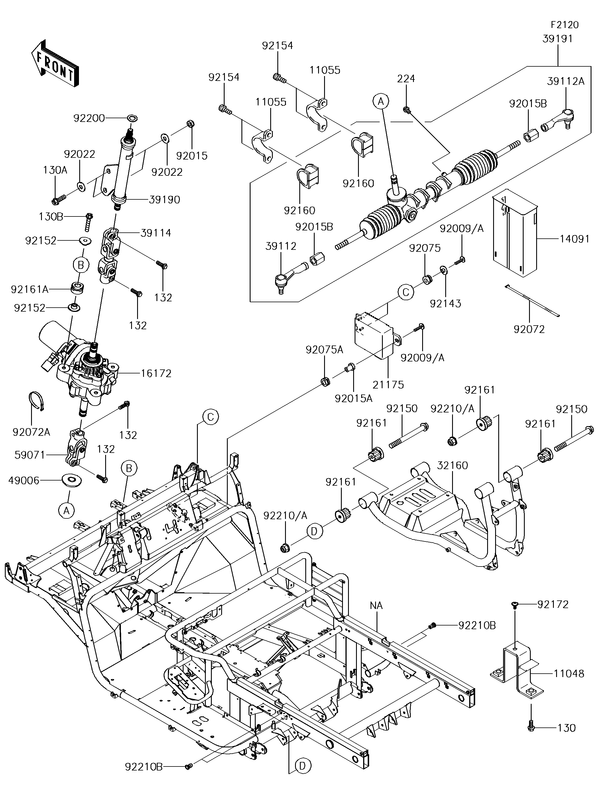
| 130 | BOLT-FLANGED8X20 | 2 | |
| 130A | BOLT-FLANGED10X30 | 2 | |
| 130B | BOLT-FLANGED8X45 | 3 | |
| 132 | BOLT-FLANGED-SMALL | 4 | |
| 224 | SCREW-PAN-WP-CROS5X8 | 1 | |
| 11048 | BRACKETREAR FRAME | 1 | |
| 11055 | BRACKETSTEERING GEAR | 2 | |
| 14091 | COVERECU | 1 | |
| 16172 | ACTUATOR | 1 | |
| 21175 | CONTROL UNIT-ELECTRON | 1 | |
| 32160 | FRAME-COMPRR | 1 | |
| 39112 | RODEND-TIESTEERING GEARLH | 1 | |
| 39112A | RODEND-TIESTEERING GEARRH | 1 | |
| 39114 | SHAFT-COMP-STRG | 1 | |
| 39190 | SHAFT-ASSY-STEERING | 1 | |
| 39191 | GEAR-ASSY-STEERING | 1 | |
| 49006 | BOOTSTEERING SHAFTLWR | 1 | |
| 59071 | JOINT | 1 | |
| 92009 | SCREW6X22 | 0 | |
| 92009A | SCREW | 3 | |
| 92015 | NUTLOCK10MMBLACK | 2 | |
| 92015A | NUT | 1 | |
| 92015B | NUT | 2 | |
| 92022 | WASHER10.5X26X2.3 | 4 | |
| 92072 | BANDL=123 | 1 | |
| 92072A | BANDWIRING HARNESS | 1 | |
| 92075 | DAMPER HEAD LMP FITT | 2 | |
| 92075A | DAMPER | 1 | |
| 92143 | COLLARL=6.5 | 2 | |
| 92150 | BOLTFLANGED10X100 | 4 | |
| 92152 | COLLAR8.5X30X10.6 | 6 | |
| 92154 | BOLTSOCKET10X23 | 4 | |
| 92160 | DAMPERSTEERING GEAR | 2 | |
| 92161 | DAMPER | 8 | |
| 92161A | DAMPERACTUATOR | 3 | |
| 92172 | SCREW6X14 | 1 | |
| 92200 | WASHER15X25X1.6 | 1 | |
| 92210 | NUTLOCKFLANGED10MM | 0 | |
| 92210A | NUT | 4 | |
| 92210B | NUTPOP6MML=15 | 4 |
