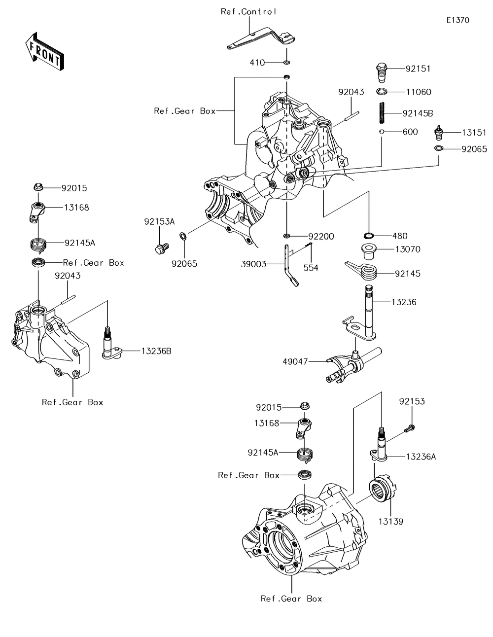
| № | Наименование | Примечание | Кол-во |
|---|---|---|---|
| 410 | WASHER-PLAIN-SMALL | 1 | |
| 480 | CIRCLIP13MM | 1 | |
| 554 | PIN-SNAP | 2 | |
| 600 | BALL STEEL 5/16' | 1 | |
| 11060 | GASKETROCKER SHAFT | 1 | |
| 13070 | GUIDE | 1 | |
| 13139 | SHIFTERDIFF LOCK | 1 | |
| 13151 | SWITCH-COMPNEUTRAL | 1 | |
| 13168 | LEVERDIFF LOCK | 2 | |
| 13236 | LEVER-COMPFR/RR | 1 | |
| 13236A | LEVER-COMPDIFF LOCK | 1 | |
| 13236B | LEVER-COMP2WD/4WD | 1 | |
| 39003 | ARM-PIVOTGOVERNOR | 1 | |
| 49047 | ROD-SHIFTFR/RR | 1 | |
| 92015 | NUT8MM | 2 | |
| 92043 | PIN4X34.8 | 2 | |
| 92065 | GASKET CHECK VALVE | 2 | |
| 92145 | SPRING | 1 | |
| 92145A | SPRING | 2 | |
| 92145B | SPRINGCHANGE POSITIO | 1 | |
| 92151 | BOLTCHANGE POSITION | 1 | |
| 92153 | BOLT6X16.6 | 1 | |
| 92153A | BOLT10X16 | 1 | |
| 92200 | WASHER6.5X11.5X2.0 | 1 |
