Оригинальные каталоги
Масла и жидкости
Масла моторные
Масла трансмиссионные
Жидкости гидравлические
Жидкости охлаждающие
Жидкости тормозные
Масла гидравлические
Масла для вилок и амортизаторов
Масла компрессорные
Жидкости для стекол
Масла для цепей бензопил
Масла индустриальные
Масла промывочные
Раствор мочевины AdBlue
Автоэлектроника
Видеорегистраторы
Пылесосы автомобильные
FM трансмиттеры
Зарядные устройства
Разветвители, удлинители прикуривателя
Кабели
Вентиляторы автомобильные
Штекер прикуривателя
Датчик парктроника
Камеры заднего вида
Мониторы парковочные
Парктроники
Термометры
Накидки на сиденье с подогревом
Автохолодильники
Антирадары
Диагностический сканер
Аксессуары
Набор автомобилиста
Ароматизаторы
Тросы буксировочные
Канистры
Ремни крепления груза
Стяжки-резинки крепления
Сетки для крепления груза
Скотч
Влажные салфетки
Держатели телефонов, планшетов
Карты памяти
Наушники
Аккумулятор холода
Термосумки и контейнеры
Фонарики
Батарейки
Оплетки на руль
Огнетушители
Салфетки, полотенца, варежки
Инструмент
Домкраты
Компрессоры
Манометры
Насосы
Светильники переносные
Шарнирно-губцевый инструмент
Ударный инструмент
Метчики. Плашки
Заклёпочники
Заклёпки
Измерительный инструмент
Свёрла
Отвёртки
Изолента
Надфили. Напильники
Ножи, ножовки
Щётки
Абразивная бумага
Специнструмент
Ключи
Хомуты
Дрель-шуруповерт
Автохимия
Присадки
Промывки
Очистители
Смазки спрей
Смазки пластичные
Герметики
Средство для рук
Клей
Лакокрасочные материалы
Автошампуни
Полироли
Антифриз для тормозной системы
Масло для пропитки фильтров
Антикоррозионные составы
Прочее
Электрооборудование
Зарядные устройства
Инверторы
Конвертеры
Звуковые сигналы
Провода прикуривания
Предохранители
Противотуманные фары
Дневные ходовые огни
Электрика фаркопа
Шины и диски
Автошины
Грузовые шины
Мотошины
Камеры
Мотокамеры
Лента обода шины
Колпаки
Диски
Одежда и экипировка
Жилеты
Запчасти
Аккумуляторы
Лампы
Щетки стеклоочистителя
Гофры глушителя
Велотовары
Велосипеды
Самокаты
Велокамеры
Искать по VIN или номеру детали
Поиск по штрих-коду
Искать по VIN-номеру
Войти
Авторизация
Логин
Пароль
Напомнить пароль
Запомнить
Войти
Зарегистрироваться
Авторизоваться другим способом
Востановить пароль
Введите ваш email:
Labels
Корзина пуста
Kawasaki
Mule 4010 Trans4x4 (KAF620RDF)
Mule 4010 Trans4x4 (KAF620RDF)
Labels
№
Наименование
Примечание
Кол-во
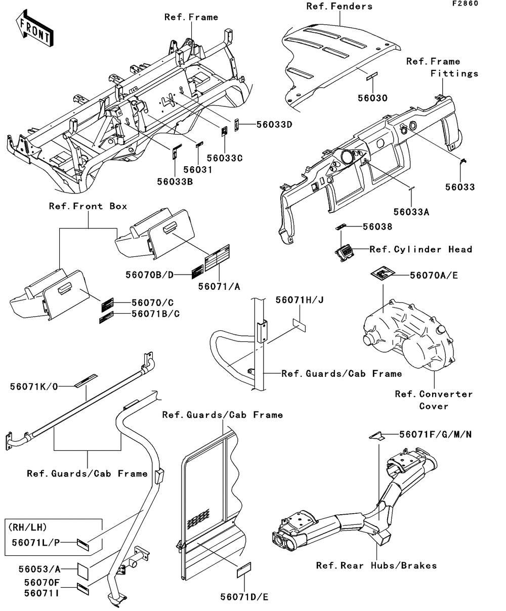
56030
LABELOPERATING HOOD
1
56031
LABEL-MANUALBRAKE FLUID LEVEL
1
56033
LABEL-MANUALIGNITION
1
56033A
LABEL-MANUALPOWER ST
1
56033B
LABEL-MANUALDIFF MODE
1
56033C
LABEL-MANUALSHIFT
1
56033D
LABEL-MANUAL2WD/4WD
1
56038
LABEL-BRAND
1
56053
LABEL-SPECIFICATIONT CN
1
56053A
LABEL-SPECIFICATIONTIRE
1
56070
LABEL-WARNINGOFF-HIGHWAY
1
56070A
LABEL-WARNINGHOT SURFACES
1
56070B
LABEL-WARNINGBONNET OPERATION
1
56070C
LABELOFF-HIGHWAY(FRE CN
1
56070D
LABEL-WARNINGBONNET CN
1
56070F
LABEL-WARNINGBED RAISED
1
56071
LABEL-WARNINGGENERAL
1
56071A
LABEL-WARNINGGENERAL CN
1
56071B
LABEL-WARNINGSHIFT CAUTION
1
56071C
LABEL-WARNINGSHIFT C CN
1
56071D
LABEL-WARNINGCARGO B
1
56071E
LABEL-WARNINGCARGO B CN
1
56071F
LABEL-WARNINGTRAILER HITCH
1
56071G
LABEL-WARNINGTRAILER CN
1
56071H
LABEL-WARNINGGASOLINE
1
56071I
BED RAISED(FRENCH) CN
1
56071J
GASOLINE(FRENCH) CN
1
56071K
LABEL2 FOR REAR SEAT CN
1
56071L
LABELFINGERS PINCH(F CN
2
56071O
LABEL-WARNINGREAR SE
1
56071P
LABEL-WARNINGCAB FRA
2