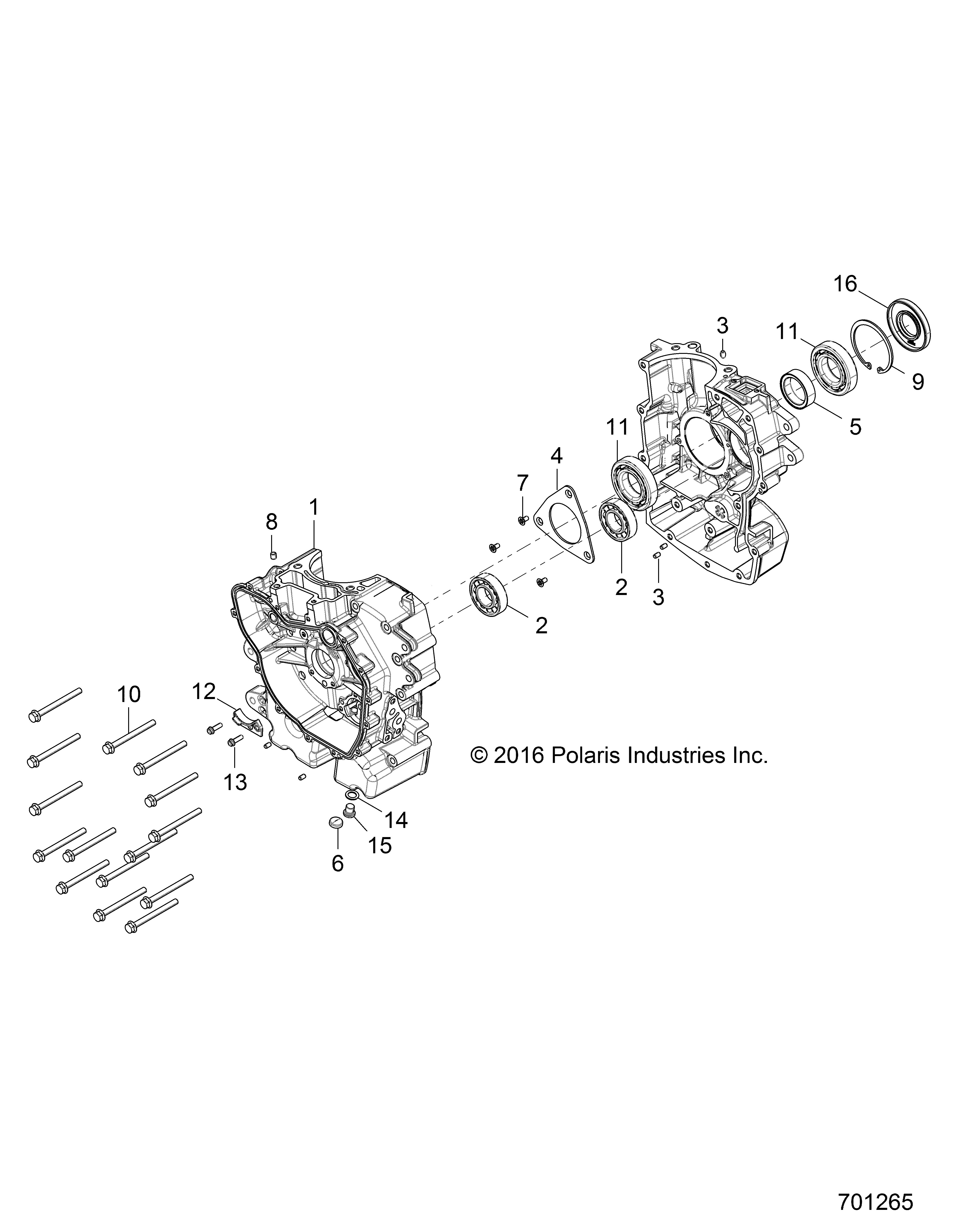
| № | Наименование | Примечание | Кол-во |
|---|---|---|---|
| 1 | KIT-CRANKCASE | 1 | |
| 2 | BEARING-BALL30X62X16 | 2 | |
| 3 | PIN-DOWELM6X10 | 6 | |
| 4 | PLATE-BEARING RETAINER | 1 | |
| 5 | SPACER-BRGMACH | 1 | |
| 6 | PLUGEXPANSION19MM | 1 | |
| 7 | SCREW | 3 | |
| 8 | DWL-HOLM8X10 | 1 | |
| 9 | RING-SNAP80X2.5 | 1 | |
| 10 | SCR-M8X1.25X90 | 15 | |
| 11 | BEARING-BALL 40X80X18 DG NCAGE | 2 | |
| 12 | GUIDE-CAM DRIVELOWER | 1 | |
| 13 | SCR-M6X20HXFLG0600214 | 2 | |
| 14 | WASHER-19X12X1.3-COPPER (10) (10 per pack) | 1 | |
| 15 | PLUG-SOCKETM12X1.5 DIN 908A | 1 | |
| 16 | SEAL-CRANKSHAFT | 1 |
