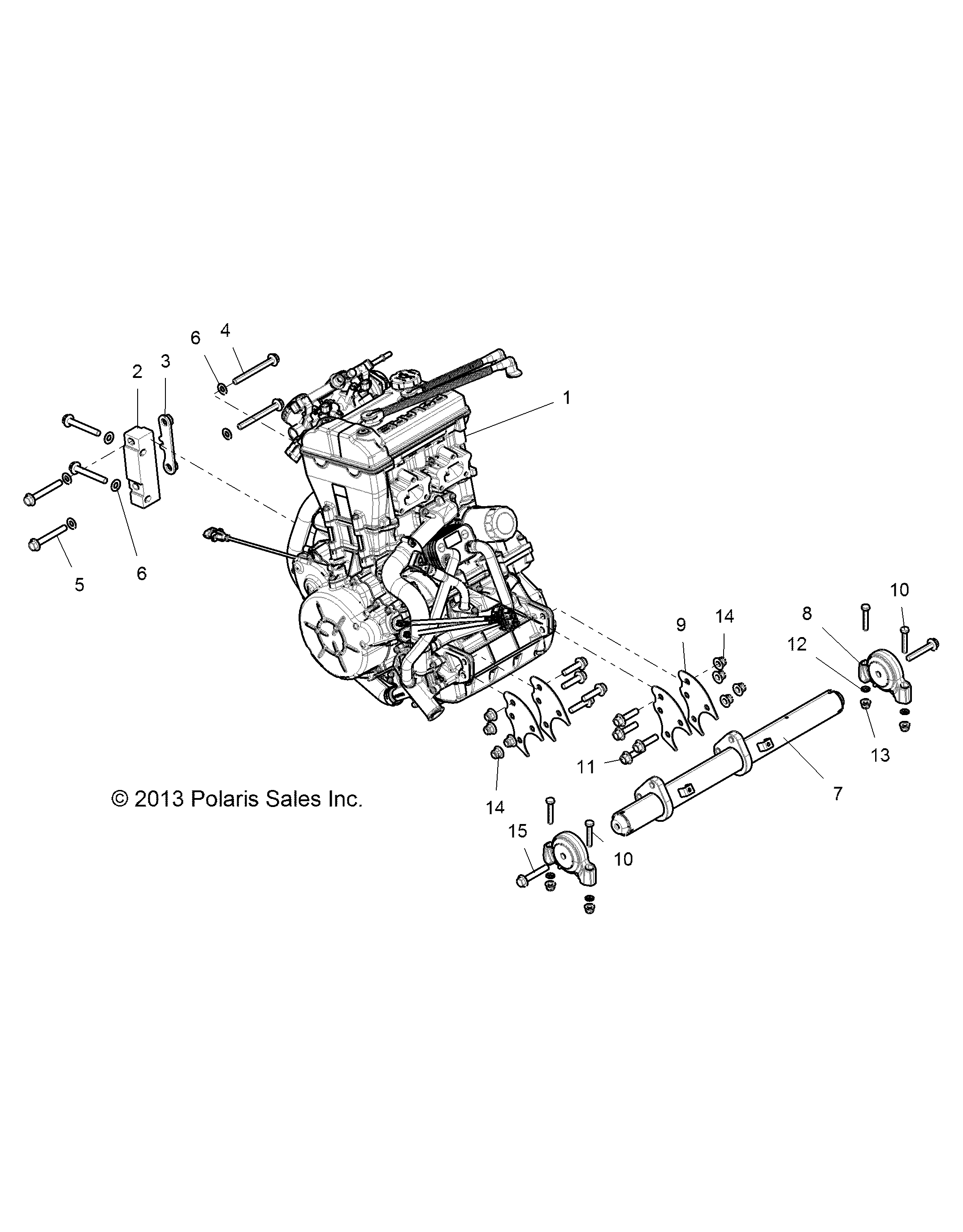
ENGINE MOUNTING - Z18VDE99NK (49RGRENGINEMTG14RZR1000)

Корзина пуста