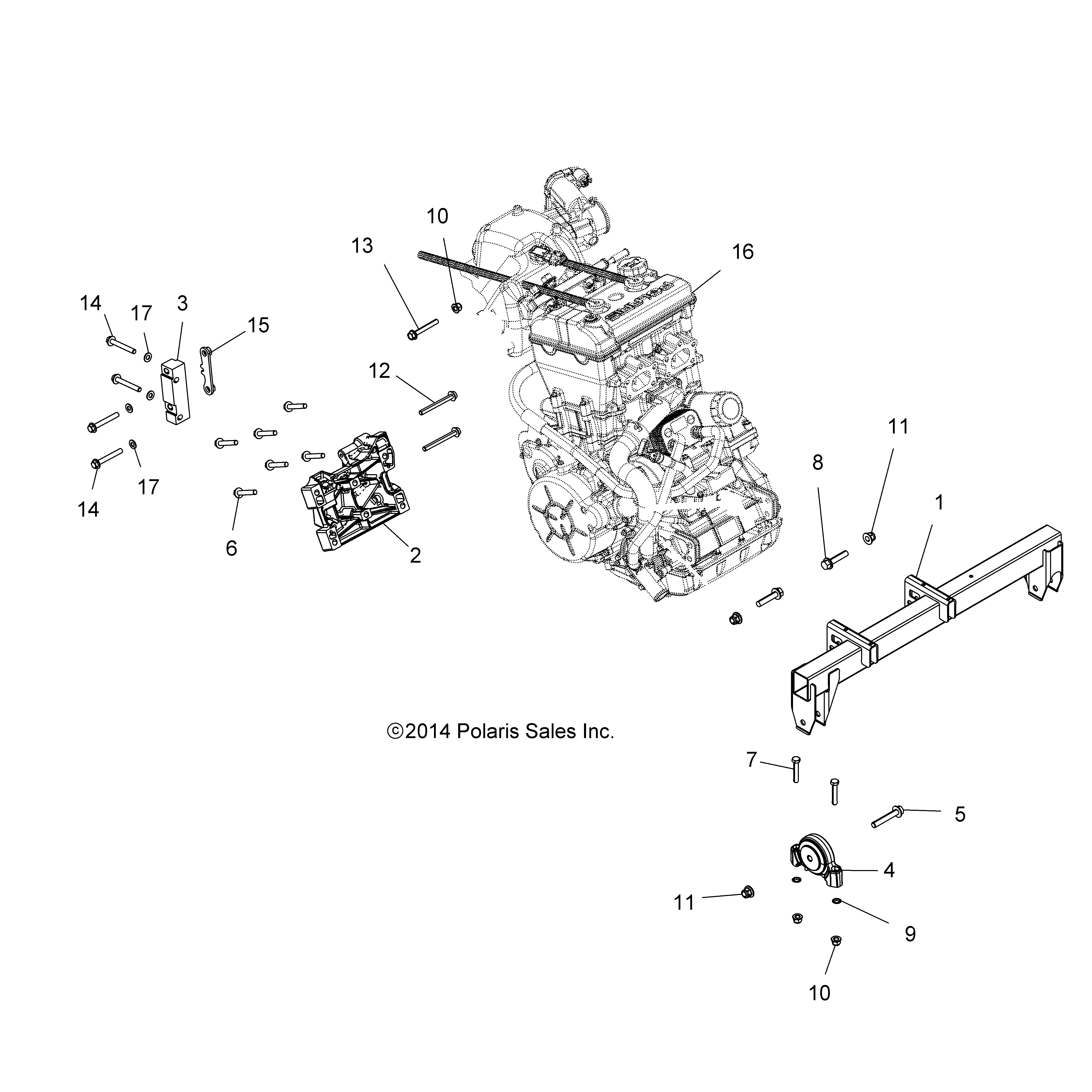
| № | Наименование | Примечание | Кол-во |
|---|---|---|---|
| 1 | WELD-MOUNTENGINEBLK | 1 | |
| 2 | COUPLER ENGINE GEARCASE | 1 | |
| 3 | BRACKET TRANS JOINT MAG | 1 | |
| 4 | MOUNT-ISOLATORDRIVELINE | 2 | |
| 5 | BOLT-M10X1.25X60HXFLG-OLIVE D | 2 | |
| 6 | BOLT-M10X1.5X60 HX FLG HD | 6 | |
| 7 | SCR-HH M8X1.25X45 8.8 ZOD | 4 | |
| 8 | SCR-HXFL-M10X1.25X40 8.8 ZOD | 4 | |
| 9 | PALNUT | 4 | |
| 10 | NUT-M8X1.25FLGNYLOC-OLIVE D | 5 | |
| 11 | NUT-M10X1.25FLGNYLOC-OLIVE D( | 6 | |
| 12 | SCR-HXFL-M10X1.25X95 10.9 ZOD(1 | 2 | |
| 13 | SCR-HXFL-M8X1.25X60 8.8 ZOD | 1 | |
| 14 | SCR-HXFL-M10X1.25X75 10.9 ZOD | 4 | |
| 15 | WELD-NUT PLATE | 1 | |
| 16 | KIT-LONG BLOCK 875 RGRXP | 1 | |
| 17 | WASHER3/8 FW(10) (10 per pack) | 4 |
