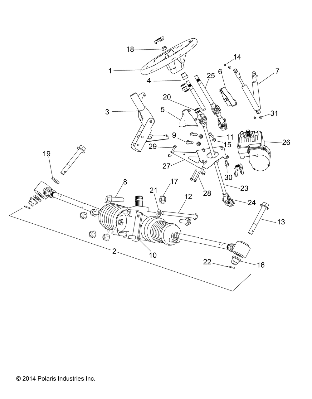
| № | Наименование | Примечание | Кол-во |
|---|---|---|---|
| 1 | WHEEL-STEERING 14" | 1 | |
| 2 | ASM-GEAR BOXSTEERING [INCL. 2-7] | 1 | |
| 3 | ASM-TILTSTEERINGRVTDM10BLK [INCL. 13] | 1 | |
| 4 | CAP-STEERING WHEEL | 1 | |
| 5 | COVER-STEERING COLUMNUPRBLK | 1 | |
| 6 | COVER-STEERING COLUMNLWRBLK | 1 | |
| 7 | ASM-SHOCKOIL LOCKINGMACH | 1 | |
| 8 | SCR-M10X1.50X35 HX/FL | 1 | |
| 9 | BOLT-M10X1.25X130HXFLG-OLIVED | 2 | |
| 10 | BOLT-M8X1.25X20HXHDFLG | 2 | |
| 11 | BOLT-SHOULDERM8-16M6X1.0-Y | 2 | |
| 12 | BOLT-M8X1.25X95 HX BOLT | 3 | |
| 13 | SCR-HXFL-M10X1.25X75 10.9 ZOD | 2 | |
| 14 | NUTNYLOK(10) (10 per pack) | 2 | |
| 15 | NUT-M8X1.25FLGNYLOC-OLIVE D | 2 | |
| 16 | NUT-M10X1.25FLGNYLOC-OLIVE D( | 4 | |
| 17 | NUT-NY INSM10X1.5HEXZINCYW | 1 | |
| 18 | NUT-HEX-M16X2 8 ZC NYL | 1 | |
| 19 | WASHER (10) (10 per pack) | 4 | |
| 20 | BUSHING-STEERING | 2 | |
| 21 | WASHERFLAT(10) (10 per pack) | 4 | |
| 22 | PINCOTTER(10) (10 per pack) | 2 | |
| 23 | SHAFT-STEERINGUPPER/LWR | 1 | |
| 24 | SHAFT-STEERING LWRW/JNTEPAS | 1 | |
| 25 | SHAFT-STEERINGUPPER | 1 | |
| 26 | ASM-POWER STEERINGRANGER LT | 1 | |
| 27 | BRKT-POWER STEERINGBLK | 1 | |
| 28 | SCREW | 2 | |
| 29 | BOLT-M8X1.25X25HXFLG-OLIVE D | 1 | |
| 30 | BOLT-M10X1.25X20HXFLG-OLV D | 4 | |
| 31 | SCREW-HXFL M8X1.25X35 ZOD | 2 |
