| № | Наименование | Примечание | Кол-во |
|---|---|---|---|
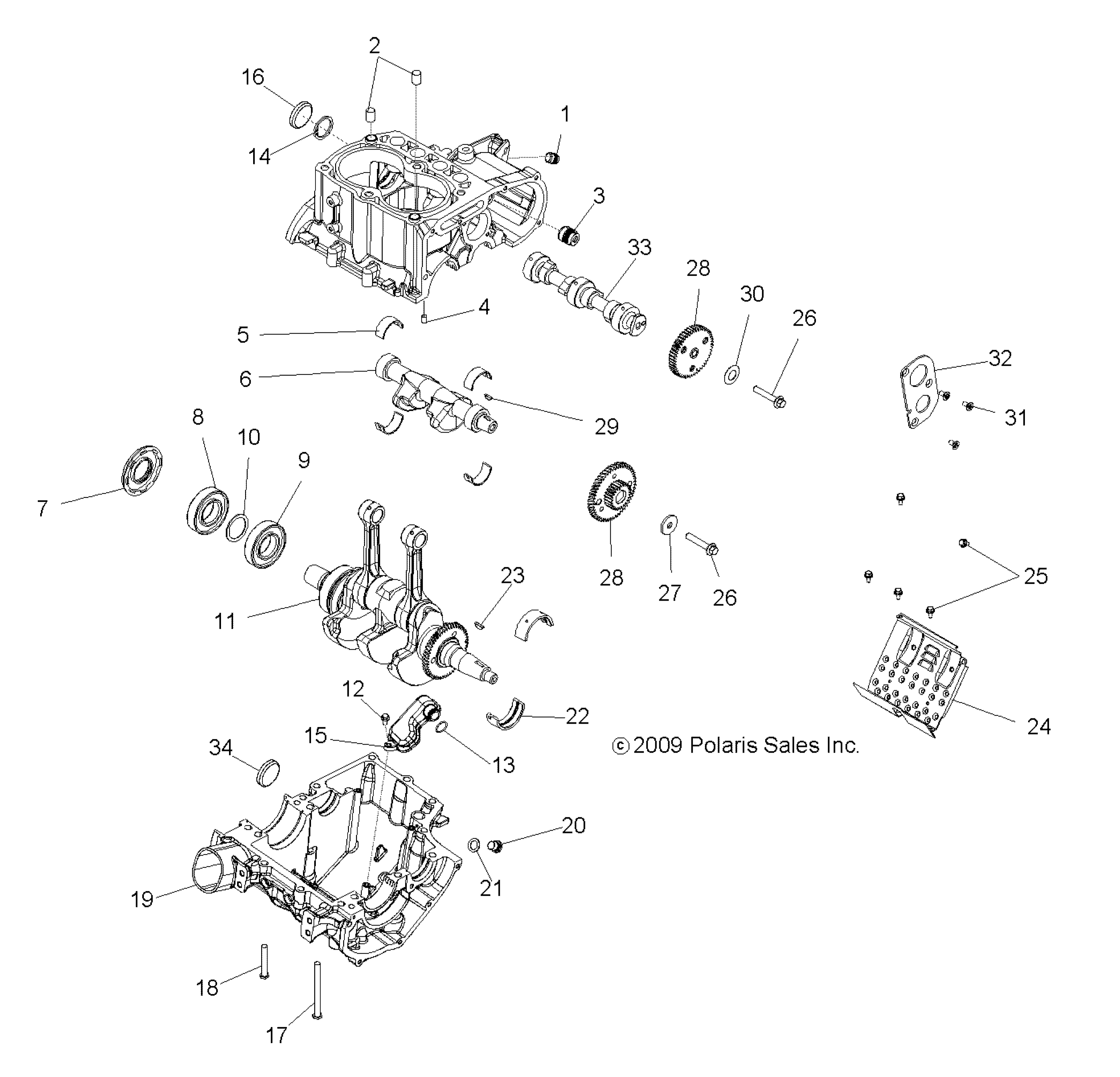
| 1 | PLUGEXPANSION9MM500PSI | 1 | |
| 2 | DOWEL-HOLM16X120600089 | 2 | |
| 3 | PLUG-EXPANSION13MM500 PSI | 1 | |
| 4 | PIN DOWEL | 2 | |
| 5 | BEARING-JOURNAL BAL SHAFT | 4 | |
| 6 | SHAFT-BALANCE800MACH | 1 | |
| 7 | SEAL-FLANGE 35X72X7 REP | 1 | |
| 8 | BEARINGBALL | 1 | |
| 9 | BEARINGBALL | 1 | |
| 10 | BUSHING-35X44X3.00 | 1 | |
| 11 | KIT-CRANKSHAFT1204334 [Incl. 345] | 1 | |
| 12 | BOLT(1) | 1 | |
| 13 | O-RING | 1 | |
| 14 | RING-RETAINING1 5/8 (10) (10 per pack) | 1 | |
| 15 | ASM. OIL PICKUP | 1 | |
| 16 | PLUGEXPANSION48MM | 1 | |
| 17 | SCR-M8X1.25X90 HX/FL-Y | 6 | |
| 18 | SCR-M8X1.25X50 HX/FL-Y | 9 | |
| 19 | KIT CRANKCASE | 1 | |
| 20 | PLUG-SOCKETM12X1.5 DIN 908A | 1 | |
| 21 | WASHER-19X12X1.3-COPPER (10) (10 per pack) | 1 | |
| 22 | BEARINGMAIN JOURNAL | 2 | |
| 23 | KEYWOODRUFF | 1 | |
| 24 | PLATE BAFFLE | 1 | |
| 25 | SCR-M5X.80X8-HX/FL-Y/D | 5 | |
| 26 | SCREWM8X1.25X45 HX/FL-D | 2 | |
| 27 | WASHERRETAINING8.5X28X3 | 1 | |
| 28 | KIT-GEAR SET ATV [Incl. Drive and Driven Gears] | 1 | |
| 29 | KEY-WOOD RUFFtahos_404 | 1 | |
| 30 | WASHER-SPRING1.1X.559X.0315 | 1 | |
| 31 | SCREW | 3 | |
| 32 | PLATE-THRUST | 1 | |
| 33 | KIT-CAMSHAFT 800 EFI HO | 1 | |
| 34 | PLUGEXPANSION19MM | 1 |
