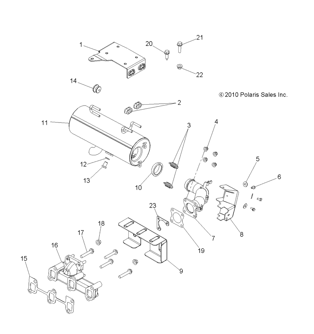
| № | Наименование | Примечание | Кол-во |
|---|---|---|---|
| 1 | MOUNT-SILENCERBLK | 1 | |
| 2 | GROMMET-SILENCER MOUNT | 2 | |
| 3 | SPRING | 2 | |
| 4 | NUT-HXFL M8X1.25 ZOD | 4 | |
| 5 | WASHER | 4 | |
| 6 | SCREW(10) * (10 per pack) | 3 | |
| 7 | WELD-PIPEEXHAUSTBLK | 1 | |
| 8 | SHIELD-HEATEXHAUSTREAR | 1 | |
| 9 | SHIELD-MANIFOLD DIESEL | 1 | |
| 10 | SEAL-EXHAUST SOCKET | 1 | |
| 11 | WELD-SILENCERBLK [INCL. 1213] | 1 | |
| 12 | WASHER-CLEAN OUT .51X.75X.09 (1 | 1 | |
| 13 | BOLT | 1 | |
| 14 | GROMMET-SILENCER MOUNT | 1 | |
| 15 | GASKETMANIFOLD | 1 | |
| 16 | MANIFOLDEXHAUST | 1 | |
| 17 | BOLTM8X50 | 4 | |
| 18 | NUTM8 | 2 | |
| 19 | GASKET-EXHAUST MANIFOLDDIESEL | 1 | |
| 20 | BOLT-M8X1.25X20HXFLGTAP/R-OD | 1 | |
| 21 | BOLT-M8X1.25X25HXFLG-OLIVE D | 2 | |
| 22 | NUT-M8X1.25FLGNYLOC-OLIVE D | 2 | |
| 23 | PLATE-MANIFOLD | 1 |
