| № | Наименование | Примечание | Кол-во |
|---|---|---|---|
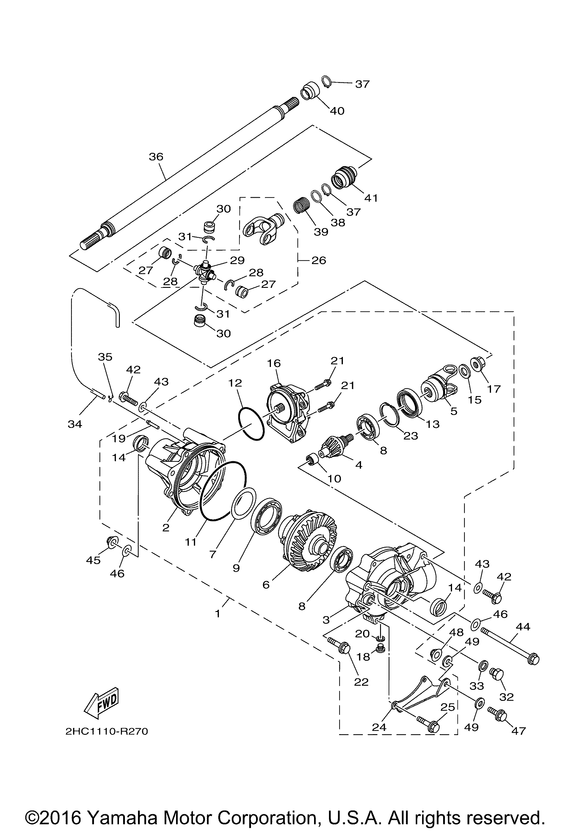
| 1 | FRONT AXLE GEAR CASE | 1 | |
| 2 | HOUSING BEARING 2 | 1 | |
| 3 | HOUSING SHAFT DRIVE | 1 | |
| 4 | PINION DRIVE 2 | 1 | |
| 5 | YOKE JOINT 2 | 1 | |
| 6 | LIMITED SLIP DIFF. A | 1 | |
| 7 | SHIM RING GEAR (0.1 (0.1T) UR | 1 | |
| 7 | SHIM RING GEAR (0.2 (0.2T) UR | 1 | |
| 7 | SHIM RING GEAR (0.3 (0.3T) UR | 1 | |
| 7 | SHIM RING GEAR (0.4 (0.4T) UR | 1 | |
| 8 | BEARING | 2 | |
| 9 | BEARING 1 | 1 | |
| 10 | BEARING 3 | 1 | |
| 11 | O-RING 1 | 1 | |
| 12 | O-RING 2 | 1 | |
| 13 | OIL SEAL | 1 | |
| 14 | SEALOIL 1 | 2 | |
| 15 | WASHER PLATE | 1 | |
| 16 | SERVO MOTOR COMP | 1 | |
| 17 | NUT 1 | 1 | |
| 18 | PLUGSTRAIGHT SCREW | 1 | |
| 19 | TUBE | 1 | |
| 20 | GASKET | 1 | |
| 21 | BOLT FLANGE | 3 | |
| 22 | BOLT FLANGE | 3 | |
| 23 | RINGHOLE SNAP 1 | 1 | |
| 24 | PLATE COVER | 1 | |
| 25 | BOLTFLANGE | 2 | |
| 26 | CROSS JOINT COMP. 3 | 1 | |
| 27 | BEARING | 2 | |
| 28 | CIRCLIPOUTER (5 per pack) | 2 | |
| 29 | SPIDER | 1 | |
| 32 | PLUGSTRAIGHT SCRW | 1 | |
| 33 | GASKET | 1 | |
| 34 | HOSE (L1500) (L1500) | 1 | |
| 35 | CLIPSCISSOR | 1 | |
| 36 | DRIVE SHAFT COMP. | 1 | |
| 37 | CIRCLIPS-TYPE | 2 | |
| 38 | WASHERPLATE (T=1.0) | 1 | |
| 39 | SPRING COMPRESSION | 1 | |
| 40 | SEAL 2 | 1 | |
| 41 | SEAL 1 | 1 | |
| 42 | BOLT FLANGE | 2 | |
| 43 | WASHER PLATE | 2 | |
| 44 | BOLT FLANGE | 1 | |
| 45 | NUT SELF-LOCKING | 1 | |
| 46 | WASHER | 2 | |
| 47 | BOLT | 1 | |
| 48 | NUT SELF-LOCKING | 1 | |
| 49 | WASHER PLATE | 2 |
