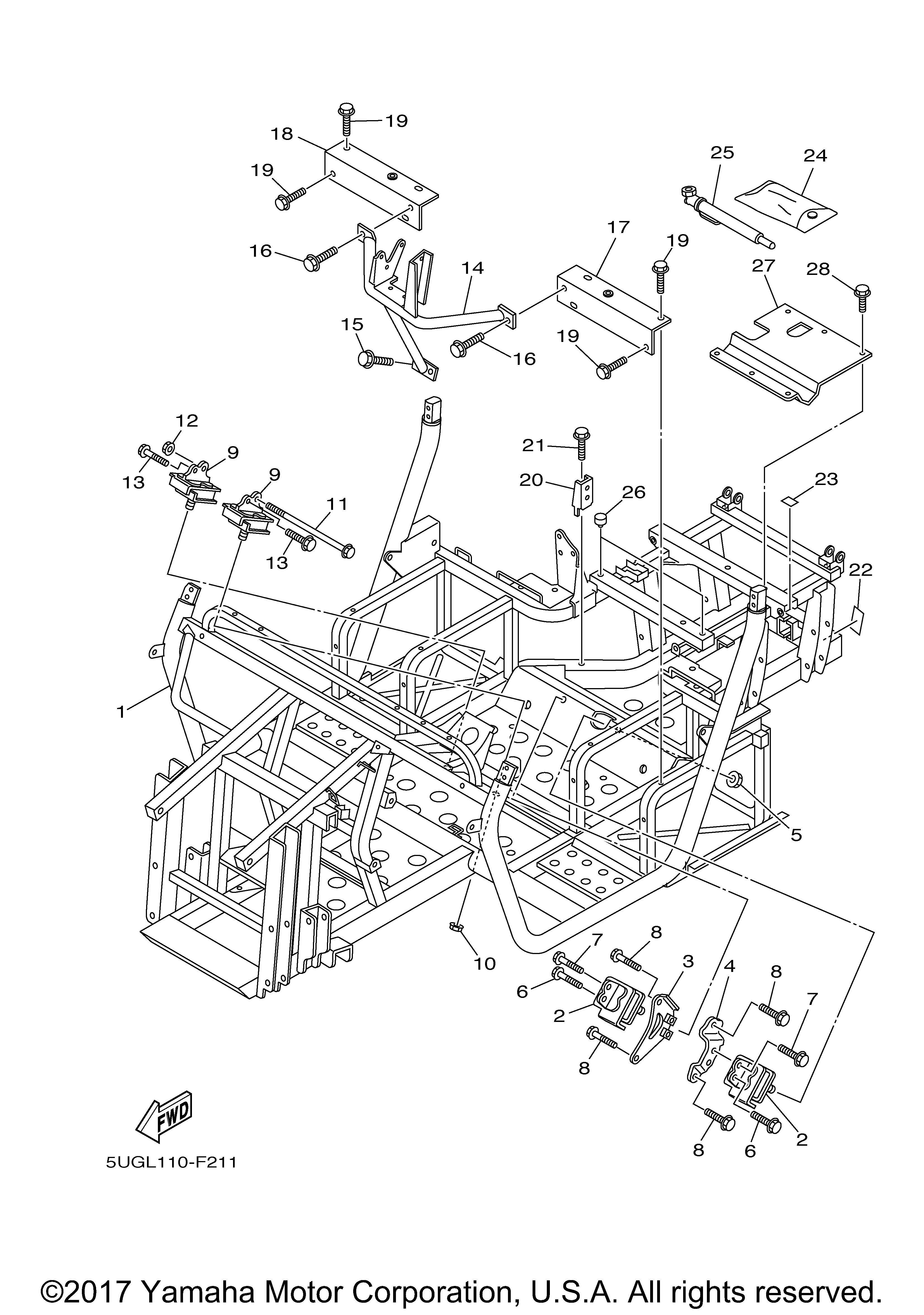
| № | Наименование | Примечание | Кол-во |
|---|---|---|---|
| 1 | FRAME COMP. | 1 | |
| 2 | DAMPER RUBBER 1 | 2 | |
| 3 | STAY ENGINE 2 | 1 | |
| 4 | STAY ENGINE 3 | 1 | |
| 5 | NUTSELF-LOCKING | 2 | |
| 6 | BOLTWASHER BASED | 2 | |
| 7 | BOLTFLANGE (JN5) | 2 | |
| 8 | BOLTFLANGE(8AB) | 4 | |
| 9 | DAMPER 2 | 2 | |
| 11 | BOLTWASHER BASED | 1 | |
| 14 | REINFORCEMENT FRA | 1 | |
| 15 | BOLT FLANGE | 2 | |
| 16 | BOLT FLANGE | 2 | |
| 17 | SUPPORT SEAT | 1 | |
| 18 | SUPPORT SEAT | 1 | |
| 19 | BOLT FLANGE | 8 | |
| 20 | BRACKET | 1 | |
| 22 | LABEL 7 ENGLISH | 1 | |
| 23 | LABEL 6 | 1 | |
| 24 | TOOL KIT | 1 | |
| 25 | GAUGE AIR | 1 | |
| 26 | STOPPER MAIN STAND | 2 | |
| 27 | INSULATOR HEAT | 1 |
