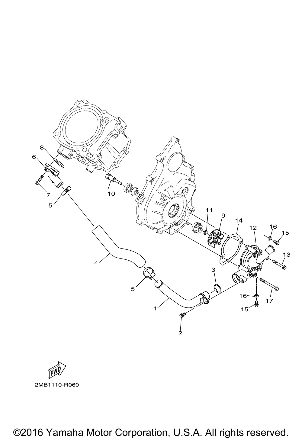
| № | Наименование | Примечание | Кол-во |
|---|---|---|---|
| 1 | PIPE 1 | 1 | |
| 2 | BOLT 1 | 1 | |
| 3 | O-RING | 1 | |
| 4 | HOSE3 | 1 | |
| 5 | CLAMP HOSE 1 | 2 | |
| 6 | JOINT 1 | 1 | |
| 7 | BOLT 1 | 2 | |
| 8 | O-RING | 1 | |
| 9 | IMPELLER WATER PU | 1 | |
| 10 | SHAFT IMPELLER | 1 | |
| 11 | SEAL WATER PUMP | 1 | |
| 12 | COVER HOUSING | 1 | |
| 13 | BOLT 1 | 3 | |
| 14 | GASKET HOUSING CO | 1 | |
| 16 | GASKET | 2 | |
| 17 | BOLT 1 | 1 |
