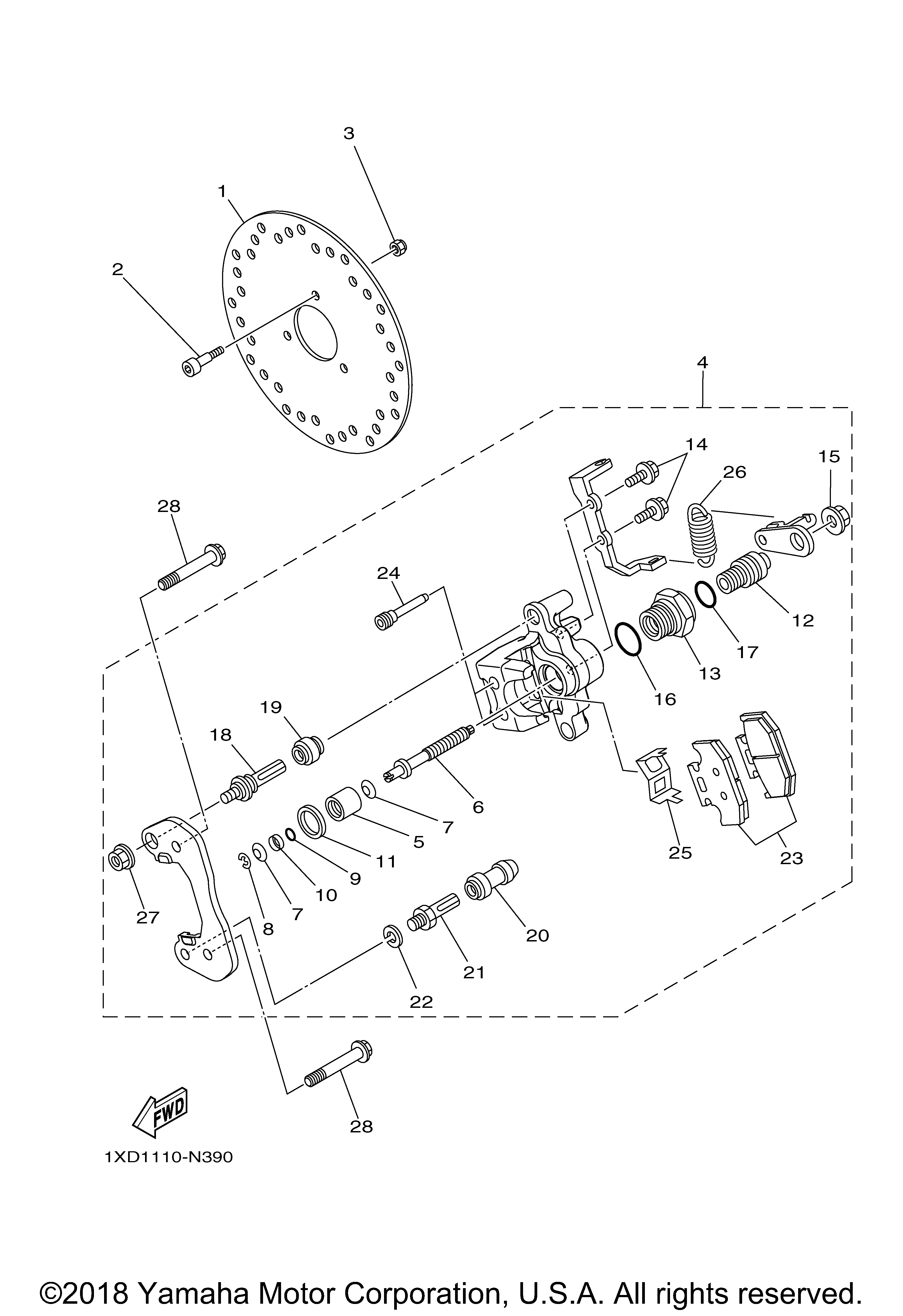
| № | Наименование | Примечание | Кол-во |
|---|---|---|---|
| 1 | DISCBRAKE | 1 | |
| 2 | BOLT HEXAGON SOCKET | 3 | |
| 4 | PARKING BRAKE ASSY | 1 | |
| 5 | PISTON CALIPER | 1 | |
| 6 | PUSH ROD COMP. | 1 | |
| 7 | WASHER CONICAL SPRI | 2 | |
| 8 | CIRCLIP | 1 | |
| 9 | O-RING | 1 | |
| 10 | RETAINER | 1 | |
| 11 | RUBBER BUSHING | 1 | |
| 12 | SHAFT L | 1 | |
| 13 | NUT | 1 | |
| 14 | BOLT FITTING | 2 | |
| 15 | NUT | 1 | |
| 16 | O-RING | 1 | |
| 17 | O-RING | 1 | |
| 18 | BOLT | 1 | |
| 19 | BOOTCALIPER | 1 | |
| 20 | BOOT 2 | 1 | |
| 21 | BOLT | 1 | |
| 22 | WASHER SPRING | 1 | |
| 23 | BRAKE PAD KIT 2 | 1 | |
| 24 | PIN PAD | 2 | |
| 25 | SUPPORT PAD | 1 | |
| 26 | SPRING RETURN | 1 | |
| 27 | NUT | 1 | |
| 28 | BOLTWASHER BASED | 2 |
