| № | Наименование | Примечание | Кол-во |
|---|---|---|---|
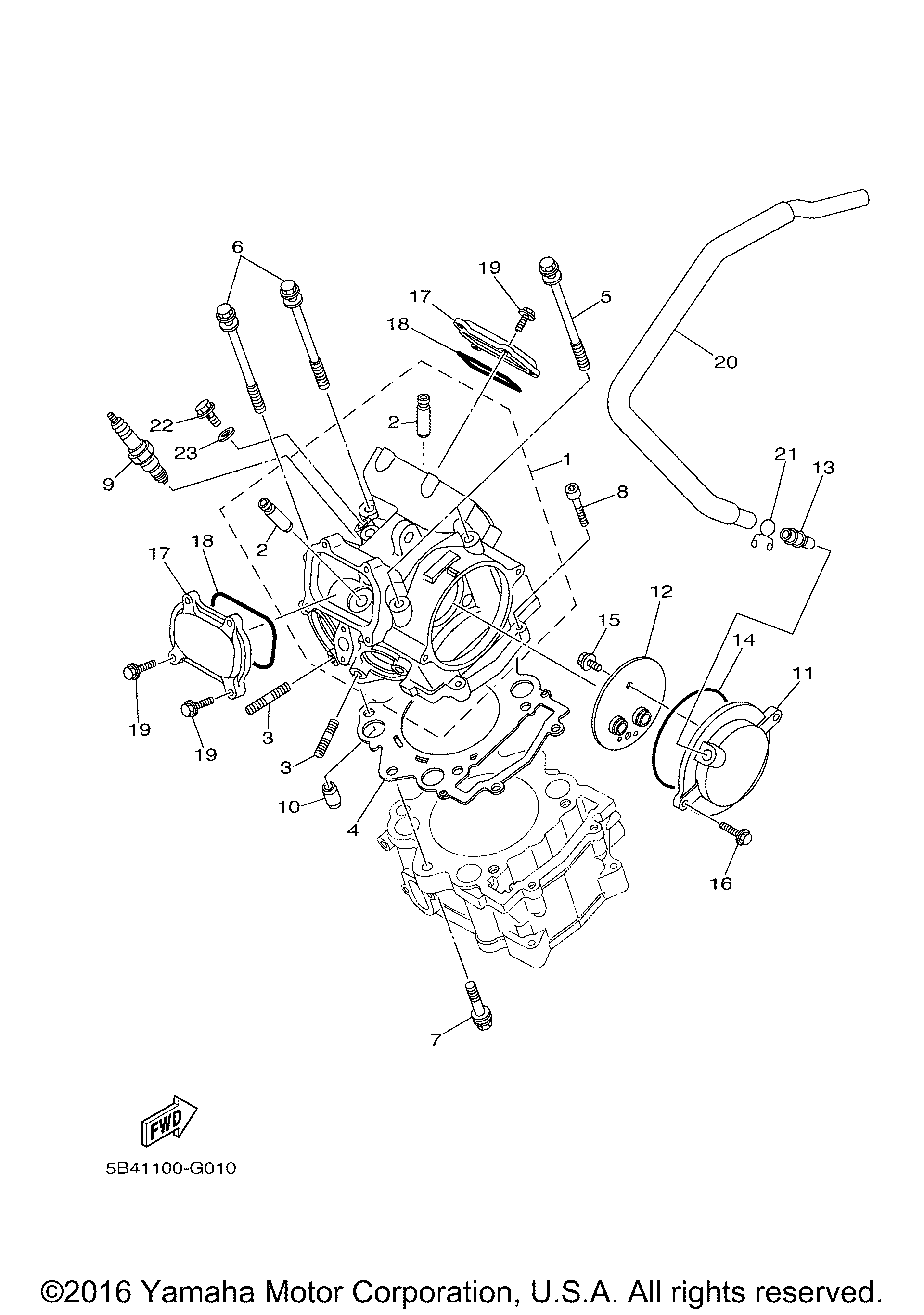
| 1 | CYLINDER HEAD ASSY | 1 | |
| 2 | Направляющая клапана | 4 | |
| 3 | BOLT STUD | 4 | |
| 4 | GASKET CYLINDER HEA | 1 | |
| 5 | BOLT | 2 | |
| 6 | BOLT | 2 | |
| 7 | BOLT | 2 | |
| 8 | BOLTHEX SKT HEAD | 2 | |
| 9 | CPR7EA9 NGK SPLUG (NGK CPR7EA) (10 per pack) | 1 | |
| 10 | PINDOWEL (5 per pack) | 2 | |
| 11 | COVER CYLINDER HEAD | 1 | |
| 12 | PLATE BREATHER | 1 | |
| 13 | PIPEBREATHER 2 | 1 | |
| 14 | O-RING (70R) | 1 | |
| 15 | BOLT FLANGE | 2 | |
| 16 | BOLT FLANGE | 2 | |
| 17 | COVER CYLINDER HEAD | 2 | |
| 18 | O-RING | 2 | |
| 20 | PIPE BREATHER 1 | 1 | |
| 21 | CLIP | 1 | |
| 22 | BOLT UNION | 1 | |
| 23 | Шайба уплотнительная сливной пробки | 1 |
