Оригинальные каталоги
Масла и жидкости
Масла моторные
Масла трансмиссионные
Жидкости гидравлические
Жидкости охлаждающие
Жидкости тормозные
Масла гидравлические
Масла для вилок и амортизаторов
Масла компрессорные
Жидкости для стекол
Масла для цепей бензопил
Масла индустриальные
Масла промывочные
Раствор мочевины AdBlue
Автоэлектроника
Видеорегистраторы
Пылесосы автомобильные
FM трансмиттеры
Зарядные устройства
Разветвители, удлинители прикуривателя
Кабели
Вентиляторы автомобильные
Штекер прикуривателя
Датчик парктроника
Камеры заднего вида
Мониторы парковочные
Парктроники
Термометры
Накидки на сиденье с подогревом
Автохолодильники
Антирадары
Диагностический сканер
Аксессуары
Набор автомобилиста
Ароматизаторы
Тросы буксировочные
Канистры
Ремни крепления груза
Стяжки-резинки крепления
Сетки для крепления груза
Скотч
Влажные салфетки
Держатели телефонов, планшетов
Карты памяти
Наушники
Аккумулятор холода
Термосумки и контейнеры
Фонарики
Батарейки
Оплетки на руль
Огнетушители
Салфетки, полотенца, варежки
Инструмент
Домкраты
Компрессоры
Манометры
Насосы
Светильники переносные
Шарнирно-губцевый инструмент
Ударный инструмент
Метчики. Плашки
Заклёпочники
Заклёпки
Измерительный инструмент
Свёрла
Отвёртки
Изолента
Надфили. Напильники
Ножи, ножовки
Щётки
Абразивная бумага
Специнструмент
Ключи
Хомуты
Дрель-шуруповерт
Автохимия
Присадки
Промывки
Очистители
Смазки спрей
Смазки пластичные
Герметики
Средство для рук
Клей
Лакокрасочные материалы
Автошампуни
Полироли
Антифриз для тормозной системы
Масло для пропитки фильтров
Антикоррозионные составы
Прочее
Электрооборудование
Зарядные устройства
Инверторы
Конвертеры
Звуковые сигналы
Провода прикуривания
Предохранители
Противотуманные фары
Дневные ходовые огни
Электрика фаркопа
Шины и диски
Автошины
Грузовые шины
Мотошины
Камеры
Мотокамеры
Лента обода шины
Колпаки
Диски
Одежда и экипировка
Жилеты
Запчасти
Аккумуляторы
Лампы
Щетки стеклоочистителя
Гофры глушителя
Велотовары
Велосипеды
Самокаты
Велокамеры
Искать по VIN или номеру детали
Поиск по штрих-коду
Искать по VIN-номеру
Войти
Авторизация
Логин
Пароль
Напомнить пароль
Запомнить
Войти
Зарегистрироваться
Авторизоваться другим способом
Востановить пароль
Введите ваш email:
04-4_ELECTRONIC SHIFT AND THROTTLE
Корзина пуста
Evinrude
150 DE150PXABG, ABH
150 DE150PXABG, ABH
04-4_ELECTRONIC SHIFT AND THROTTLE
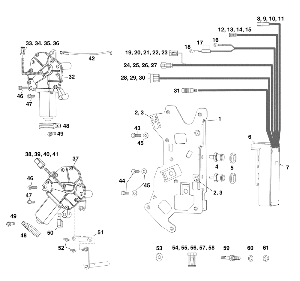
№
Наименование
Примечание
Кол-во
INSTALL HARDWRE KT
1
NS
TIE STRAP 100PK (100 per pack)
8
1
PLATE AY
1
3
RIVET
2
4
STUD MOUNT
2
5
GROMMET
2
6
ESM AYV6 ICON
1
7
ENG INST PLUG I3
1
7
ENG INST PLUG I2
1
7
ENG INST PLUG I1
1
7
ENG INST PLUG I0
1
7
ENG INST PLUG I4
1
8
CONN6PIN RCPT Shift actuator
1
9
LOCKWEDGE-6P RCPT
1
10
TERMINALPIN
5
11
Деталь
1
12
CONN6SKT PLUG
1
13
LOCKWEDGE-6S PLUG
1
14
TERMINALSKT
5
16
RING TERMINAL 0.250 in. (6.3mm) diameter
1
17
MINIFUSE 30 AMP
1
18
RING TERMINAL 0.312 in. (7.9mm) diameter
1
19
CONN3SKT PLUG
1
20
SEAL3 LEAD PLUG
1
21
TERMINALSKT-10PK (010 per pack)
1
22
LOCKWEDGE-3S PLUG
1
23
PLUGSEALING
2
24
CONN6PIN RCPT
1
25
LOCKWEDGE-6P RCPT
1
26
TERMINALPIN-10PK (010 per pack)
5
28
CONN4 POSN CAP Trim sender connector
1
29
CONTACTTAB
4
30
SEALWIRE
4
32
ACTUATOR AYTHROTT
1
37
ACTUATOR AYSHIFT
1
42
LINK AYTHROTTLE
1
43
SCREW
1
44
SCREW
2
45
WASHER
3
46
SCREW
6
47
SCREW
2
48
CLAMP
2
49
SCREW
2
50
CLAMP
1
51
LINK SHIFT
1
52
CLIP 10PK (010 per pack)
2
53
WASHERRETAINING
1
54
CONN & SEAL AY DR Models Only
1
55
CONN6SKT PLUG
1
56
SEAL6 LEAD PLUG
1
57
LOCKWEDGE-6S PLUG
1
59
BOLTDOUBLE ENDED
1
60
LOCKWASHER (005 per pack)
1
61
NUT
1