Оригинальные каталоги
Масла и жидкости
Масла моторные
Масла трансмиссионные
Жидкости гидравлические
Жидкости охлаждающие
Жидкости тормозные
Масла гидравлические
Масла для вилок и амортизаторов
Масла компрессорные
Жидкости для стекол
Масла для цепей бензопил
Масла индустриальные
Масла промывочные
Раствор мочевины AdBlue
Автоэлектроника
Видеорегистраторы
Пылесосы автомобильные
FM трансмиттеры
Зарядные устройства
Разветвители, удлинители прикуривателя
Кабели
Вентиляторы автомобильные
Штекер прикуривателя
Датчик парктроника
Камеры заднего вида
Мониторы парковочные
Парктроники
Термометры
Накидки на сиденье с подогревом
Автохолодильники
Антирадары
Диагностический сканер
Аксессуары
Набор автомобилиста
Ароматизаторы
Тросы буксировочные
Канистры
Ремни крепления груза
Стяжки-резинки крепления
Сетки для крепления груза
Скотч
Влажные салфетки
Держатели телефонов, планшетов
Карты памяти
Наушники
Аккумулятор холода
Термосумки и контейнеры
Фонарики
Батарейки
Оплетки на руль
Огнетушители
Салфетки, полотенца, варежки
Инструмент
Домкраты
Компрессоры
Манометры
Насосы
Светильники переносные
Шарнирно-губцевый инструмент
Ударный инструмент
Метчики. Плашки
Заклёпочники
Заклёпки
Измерительный инструмент
Свёрла
Отвёртки
Изолента
Надфили. Напильники
Ножи, ножовки
Щётки
Абразивная бумага
Специнструмент
Ключи
Хомуты
Дрель-шуруповерт
Автохимия
Присадки
Промывки
Очистители
Смазки спрей
Смазки пластичные
Герметики
Средство для рук
Клей
Лакокрасочные материалы
Автошампуни
Полироли
Антифриз для тормозной системы
Масло для пропитки фильтров
Антикоррозионные составы
Прочее
Электрооборудование
Зарядные устройства
Инверторы
Конвертеры
Звуковые сигналы
Провода прикуривания
Предохранители
Противотуманные фары
Дневные ходовые огни
Электрика фаркопа
Шины и диски
Автошины
Грузовые шины
Мотошины
Камеры
Мотокамеры
Лента обода шины
Колпаки
Диски
Одежда и экипировка
Жилеты
Запчасти
Аккумуляторы
Лампы
Щетки стеклоочистителя
Гофры глушителя
Велотовары
Велосипеды
Самокаты
Велокамеры
Искать по VIN или номеру детали
Поиск по штрих-коду
Искать по VIN-номеру
Войти
Авторизация
Логин
Пароль
Напомнить пароль
Запомнить
Войти
Зарегистрироваться
Авторизоваться другим способом
Востановить пароль
Введите ваш email:
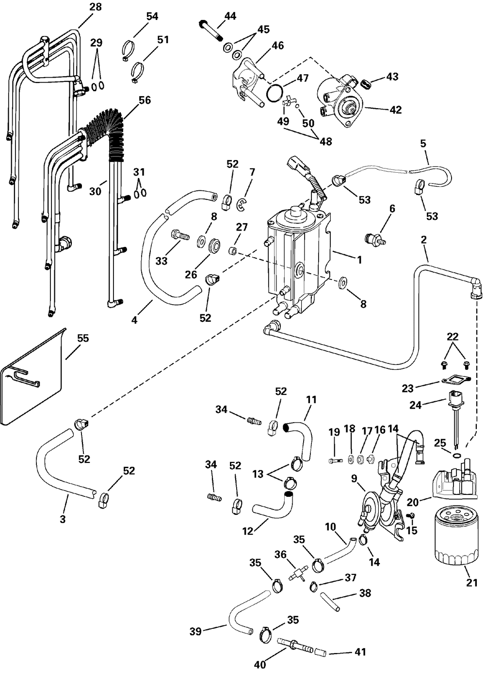
FUEL COMPONENTS
Корзина пуста
Evinrude
175 E175FPLSTF
175 E175FPLSTF
FUEL COMPONENTS
№
Наименование
Примечание
Кол-во
1
RSVR&PUMP AYFUEL
1
2
Деталь
0
3
HOSE (Use Tie Strap P/N 320107 to secure. (Ref tahos_43).)
1
4
HOSE
1
5
HOSEVST-INTAKE
1
6
STUD MOUNT
1
7
RINGRETAINING
1
8
WASHER-MOUNT
4
9
FUEL LIFT PUMP AY
1
11
HOSE
1
12
HOSE
1
13
CLAMPEAR-15.7MM
2
14
CLAMPEAR-17.0MM (005 per pack)
3
15
SCREW
3
16
SPACERFLANGED
3
17
ISOLATOR Fuse & Relay bracket mounting
3
18
WASHER Negative battery stud to center frame
3
19
SCREW
3
20
HOUSING AY
1
21
FILTER AYFUEL
1
22
SCREW 10-32X.360
2
23
Деталь
1
24
Деталь
1
25
O-RING
1
26
GROMMET
3
27
SPACER
3
28
MANIFOLD AYFUEL
1
29
O-RING FFI PDS
8
30
MNFLD AYFUEL RTRN
1
31
O-RING FFI PDS
8
34
NIPPLE 3.3 L Models
2
35
CLAMPEAR-18.5MM (005 per pack)
3
36
TEE
1
37
CLAMPEAR-10.5MM Use clamp on supply hose to rear oil pump only (005 per pack)
1
39
HOSE
1
40
CONNECTOR FUEL
1
41
PLUG
1
42
(Includes Ref tahos_ 47 & 50.)
6
43
DAMPENERVIBRATION
6
44
SCREW INJ-ADPTR
12
45
WASHER
24
46
CAP & SLEEVE AY
6
47
O-RING
6
48
SPRING & ORING AY
6
49
SPRING & BUTTON AY
6
50
O-RING
6
51
TIE STRAP 100 PK (100 per pack)
1
52
TIE STRAP 100PK (100 per pack)
10
53
TIE STRAP 100PK (100 per pack)
2
54
TIE STRAP Capacitor to baffle
2
55
COVER
1