Оригинальные каталоги
Масла и жидкости
Масла моторные
Масла трансмиссионные
Жидкости гидравлические
Жидкости охлаждающие
Жидкости тормозные
Масла гидравлические
Масла для вилок и амортизаторов
Масла компрессорные
Жидкости для стекол
Масла для цепей бензопил
Масла индустриальные
Масла промывочные
Раствор мочевины AdBlue
Автоэлектроника
Видеорегистраторы
Пылесосы автомобильные
FM трансмиттеры
Зарядные устройства
Разветвители, удлинители прикуривателя
Кабели
Вентиляторы автомобильные
Штекер прикуривателя
Датчик парктроника
Камеры заднего вида
Мониторы парковочные
Парктроники
Термометры
Накидки на сиденье с подогревом
Автохолодильники
Антирадары
Диагностический сканер
Аксессуары
Набор автомобилиста
Ароматизаторы
Тросы буксировочные
Канистры
Ремни крепления груза
Стяжки-резинки крепления
Сетки для крепления груза
Скотч
Влажные салфетки
Держатели телефонов, планшетов
Карты памяти
Наушники
Аккумулятор холода
Термосумки и контейнеры
Фонарики
Батарейки
Оплетки на руль
Огнетушители
Салфетки, полотенца, варежки
Инструмент
Домкраты
Компрессоры
Манометры
Насосы
Светильники переносные
Шарнирно-губцевый инструмент
Ударный инструмент
Метчики. Плашки
Заклёпочники
Заклёпки
Измерительный инструмент
Свёрла
Отвёртки
Изолента
Надфили. Напильники
Ножи, ножовки
Щётки
Абразивная бумага
Специнструмент
Ключи
Хомуты
Дрель-шуруповерт
Автохимия
Присадки
Промывки
Очистители
Смазки спрей
Смазки пластичные
Герметики
Средство для рук
Клей
Лакокрасочные материалы
Автошампуни
Полироли
Антифриз для тормозной системы
Масло для пропитки фильтров
Антикоррозионные составы
Прочее
Электрооборудование
Зарядные устройства
Инверторы
Конвертеры
Звуковые сигналы
Провода прикуривания
Предохранители
Противотуманные фары
Дневные ходовые огни
Электрика фаркопа
Шины и диски
Автошины
Грузовые шины
Мотошины
Камеры
Мотокамеры
Лента обода шины
Колпаки
Диски
Одежда и экипировка
Жилеты
Запчасти
Аккумуляторы
Лампы
Щетки стеклоочистителя
Гофры глушителя
Велотовары
Велосипеды
Самокаты
Велокамеры
Искать по VIN или номеру детали
Поиск по штрих-коду
Искать по VIN-номеру
Войти
Авторизация
Логин
Пароль
Напомнить пароль
Запомнить
Войти
Зарегистрироваться
Авторизоваться другим способом
Востановить пароль
Введите ваш email:
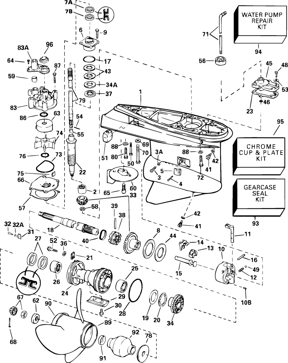
GEARCASE - STANDARD ROTATION - "F" Suffix Models
Корзина пуста
Evinrude
135 E135FSLSTF
135 E135FSLSTF
GEARCASE - STANDARD ROTATION - "F" Suffix Models
№
Наименование
Примечание
Кол-во
G-CASE*V6/STD/OFFS Painted primer
1
1
GCASE & BRG AY"O"
1
2
ROLLER BRG AY
1
3
RETAINING SCREW
1
3A
WASHER 5PK (005 per pack)
1
4
SCREW
2
5
SCREENWATER INLET Optional Height +0.055 (1.4 mm)
2
6
DS BRG HSG&SEAL AY
1
7A
OIL RETAINER Contents of GEARCASE SEAL KIT
1
7B
OIL RETAINER Contents of GEARCASE SEAL KIT
1
8
THRUST BRG-FWD GR
1
9
SCREW Contents of GEARCASE SEAL KIT
4
10
HSG.& BEARING AY
1
10B
PIN
1
11
DETENT
1
12
SPRING
1
13
CRADLE-SHIFT
1
14
SHIFTER-LEVER
1
15
SHAFT-SHIFTER
1
16
PIN-SHIFTER ARM
1
17
O-RING (Contents of GEARCASE SEAL KIT.)
1
18
PROPSHAFT AYSERV
1
19
THRUST WASHER
1
20
BEARING AYTHRUST
1
21
RETAINING TAB
2
22
DRIVESHAFTLOWER
1
23
GASKET (Contents of GEARCASE SEAL KIT.) (005 per pack)
1
24
PS BRG HSG&SEAL AY
1
25
NEEDLE BRG
1
26
BEARING AYNEEDLE
1
27
SEAL Contents of GEARCASE SEAL KIT
2
28
O-RING Contents of GEARCASE SEAL KIT (010 per pack)
1
29
ANODE & INSERT AY
1
30
SCREW
2
31
WEDGE
1
32
SCREW
1
32A
WASHERSPRING
1
33
GEARSETSVC STD Ratio
1
34
GEARREVERSE .54
1
34A
THRUST WASHER
1
36
WASHER
2
37
THRUST BRG AY
1
38
SHIFTER-CLUTCH DOG
1
39
PIN
1
40
SPRING
1
41
DRAIN SCREW Contents of GEARCASE SEAL KIT
2
42
WASHER-10 PK (010 per pack)
1
43
SHIM-PINION-004
0
43
SHIM-PINION-003
0
43
SHIM 005
0
44
THRUST WASHER
1
45
COVER AYSHIFT ROD
1
46
O-RING (005 per pack)
1
48
SCREW (005 per pack)
6
49
BALL
1
50
SCREW ANODE
1
51
ANODE&INSERT AY
1
52
SCREW BRG CARRIER
2
53
WASHER
6
54
PINROLL
1
55
RETAINERDR SFT
1
56
GROMMET EXH HSG
0
57
GASKETWTR PMP 5PK Contents of GEARCASE SEAL KIT (005 per pack)
1
58
NUT PINION
0
59
GROMMET 3.3 L models
1
60
TABTRIM-STD DE200
1
62
SPACER PROP NUT
1
63
CUPIMP HOUSING Stainless
1
63
CUPIMP HSG-CHROME Chrome
1
64
SCREW
2
65
SCREW
1
66
PLATE WATER PUMP Chrome
1
66
PLATEWATER PUMP Stainless
1
67
NUT&KEEPER AYPROP
1
68
COTTER PIN 10 PK (010 per pack)
1
69
WASHER
1
70
SCREW
1
71
SHIFT ROD 20"
1
72
SCREW
4
73
SEAL
1
74
KIT AYIMPELLER
1
75
IMP KEY-WHITE
1
76
O RING
1
78
BUSHINGTHRUST
1
78
BUSHINGTHRUST
1
79
KITUPPER D/S-20"
0
80
SCREW
1
83
HOUSING AYIMPLR
1
83A
COVERIMPELLER HSG 3.3 L models
1
86
O-RING (005 per pack)
1
88
WASHER
5
90
CONVERG RINGV6
1
91
SLEEVE
1
92
BUSHING AYPROP
0
92
PROP HUB15 SPLINE
0
92
PROP HUB SHTR
1
93
KIT AYSEAL-GC
1
94
KIT AYWATER PUMP 3.3 L models
0
95
CUP & PLATE AY Optional
1
96
SEALPUMP-EX HSG 20 in. Models
1