Оригинальные каталоги
Масла и жидкости
Масла моторные
Масла трансмиссионные
Жидкости гидравлические
Жидкости охлаждающие
Жидкости тормозные
Масла гидравлические
Масла для вилок и амортизаторов
Масла компрессорные
Жидкости для стекол
Масла для цепей бензопил
Масла индустриальные
Масла промывочные
Раствор мочевины AdBlue
Автоэлектроника
Видеорегистраторы
Пылесосы автомобильные
FM трансмиттеры
Зарядные устройства
Разветвители, удлинители прикуривателя
Кабели
Вентиляторы автомобильные
Штекер прикуривателя
Датчик парктроника
Камеры заднего вида
Мониторы парковочные
Парктроники
Термометры
Накидки на сиденье с подогревом
Автохолодильники
Антирадары
Диагностический сканер
Аксессуары
Набор автомобилиста
Ароматизаторы
Тросы буксировочные
Канистры
Ремни крепления груза
Стяжки-резинки крепления
Сетки для крепления груза
Скотч
Влажные салфетки
Держатели телефонов, планшетов
Карты памяти
Наушники
Аккумулятор холода
Термосумки и контейнеры
Фонарики
Батарейки
Оплетки на руль
Огнетушители
Салфетки, полотенца, варежки
Инструмент
Домкраты
Компрессоры
Манометры
Насосы
Светильники переносные
Шарнирно-губцевый инструмент
Ударный инструмент
Метчики. Плашки
Заклёпочники
Заклёпки
Измерительный инструмент
Свёрла
Отвёртки
Изолента
Надфили. Напильники
Ножи, ножовки
Щётки
Абразивная бумага
Специнструмент
Ключи
Хомуты
Дрель-шуруповерт
Автохимия
Присадки
Промывки
Очистители
Смазки спрей
Смазки пластичные
Герметики
Средство для рук
Клей
Лакокрасочные материалы
Автошампуни
Полироли
Антифриз для тормозной системы
Масло для пропитки фильтров
Антикоррозионные составы
Прочее
Электрооборудование
Зарядные устройства
Инверторы
Конвертеры
Звуковые сигналы
Провода прикуривания
Предохранители
Противотуманные фары
Дневные ходовые огни
Электрика фаркопа
Шины и диски
Автошины
Грузовые шины
Мотошины
Камеры
Мотокамеры
Лента обода шины
Колпаки
Диски
Одежда и экипировка
Жилеты
Запчасти
Аккумуляторы
Лампы
Щетки стеклоочистителя
Гофры глушителя
Велотовары
Велосипеды
Самокаты
Велокамеры
Искать по VIN или номеру детали
Поиск по штрих-коду
Искать по VIN-номеру
Войти
Авторизация
Логин
Пароль
Напомнить пароль
Запомнить
Войти
Зарегистрироваться
Авторизоваться другим способом
Востановить пароль
Введите ваш email:
MIDSECTION
Корзина пуста
Evinrude
225 E225FHLSNF Ficht RAM Injection, H.O., 20 in. shaft, Blue
225 E225FHLSNF Ficht RAM Injection, H.O., 20 in. s
MIDSECTION
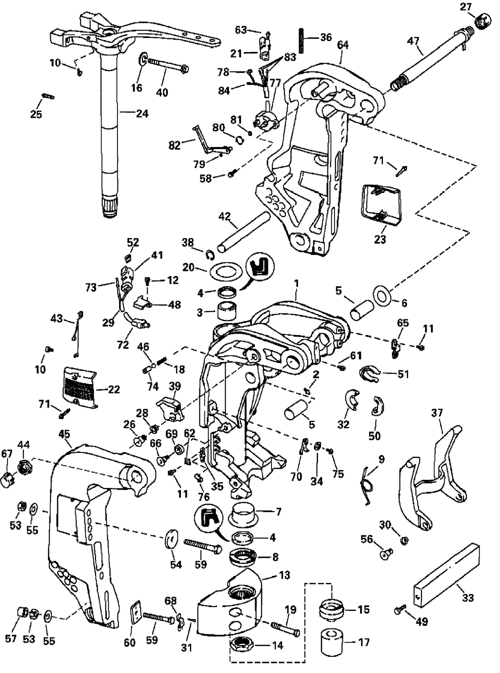
№
Наименование
Примечание
Кол-во
1
SWVL BRKT AY 30" 30 in. Models
1
1
BRKTSWIVEL 25" 25 in. Models
1
1
BRCKT AYSWVL 20" 20 in. Models
1
2
FITTING LUBE
3
3
BUSHING SWIV BK
1
4
SEALOIL
2
5
BUSHINGTILT TUBE
2
6
THRUST WASHER
2
7
BUSHINGPIVOT SFT
1
8
KEEPER70HP-V6
1
9
SPRINGTRAIL LOCK
1
10
SCREW
2
13
BRACKET MOUNT 25 30 in. Models
1
13
BRACKETMOUNT-20" 20 in. Models
1
14
LOCK NUT
1
15
RETAINER-SEAL 25 30 in. Models
1
16
WASHER
2
17
SEAL 25 30 in. Models
1
18
SPRINGDETENT
1
19
SCREW
4
20
THRUST WASHER
1
21
CONN3PIN RCPT
1
22
COVERSTERN BRKT
1
23
COVERSTERN BRKT
1
24
STRG ARM&SHAFT 25" 25 in. Models Stainless
1
24
STRG ARM&SHFT 20" HSL Models Stainless
1
24
STEER ARM&SHFT 30" 30 in. Models Stainless
1
25
CONNECTOR 5PK (005 per pack)
1
26
SCREWSHOULDER
1
27
NUTWIPER
1
28
BUSHINGTILT LEVER
1
29
SLEEVE Oil manifold to crankcase oil hose
1
30
BUSHINGTRAIL ARM
2
31
SCREW RET TO PLATE Optional
4
32
COLLARTILT LIMIT
1
33
ANODE AY
1
34
WASHER
1
35
RETAINER SUPPORT
1
36
SLEEVEBRAIDED-16" 5/8 x 16 in. (15.87 x 406 mm)
1
37
ARMTRAIL LOCK
1
38
RINGRETAINER
2
39
LEVERTILT LOCK
1
40
SCREW
2
41
CONN2PIN RCPT
1
42
KITTRIM LIMIT ROD
1
43
LEAD AYBONDING
1
44
NUTLOCK
1
45
BRACKETSTERN-STBD
1
46
BALLDETENT-TLT LK
1
47
SST TUBE AY TILT
1
48
BRACKETMOUNTING
1
49
SCREW-EXH HSG
2
50
COLLARTILT LIMIT
1
51
CAMTILT LIMIT SW
1
52
LOCKWEDGE 2P RCPT
1
53
NUT (004 per pack)
4
54
WASHER 5 PK (005 per pack)
2
55
WASHER 5 PK (005 per pack)
4
56
SCREWSHOULDER
2
57
CAP-TRAN SCR (004 per pack)
4
58
SCREW
2
59
4 3/4" TRNSM BOLT
0
59
3 1/2" TRNSM BOLT Optional
0
59
5" TRNSM BOLT Optional
0
59
6" TRNSM BOLT
0
60
SQ PLATE 4PK (004 per pack)
2
62
CLIP
2
63
LOCKWEDGE-3P RCPT
1
64
BRACKETSTERN-PORT
1
65
RETAINER
1
67
CAPSTEER-TUBE
1
68
RETAINER Optional
2
69
ROLLERTHRUST
2
70
RETAINERTRAIL ARM
1
71
SCREW
4
72
SWITCH AY LIMIT
1
73
TERMINALPIN-10PK (010 per pack)
2
74
GUIDE
1
75
SCREW.25X20-.500
1
76
RETAINERTRAIL LK
2
77
SENDING UNIT AY
1
78
TERMINALRING
1
79
RETAINER
1
80
SPRING-TILT TRIM
1
81
NUT
1
82
ARMT&T SENDER AY
1
84
Детать
1